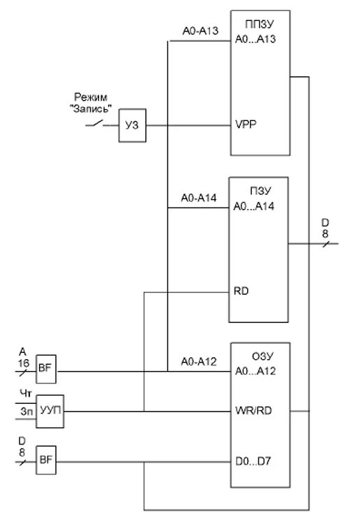
Программируем пзу