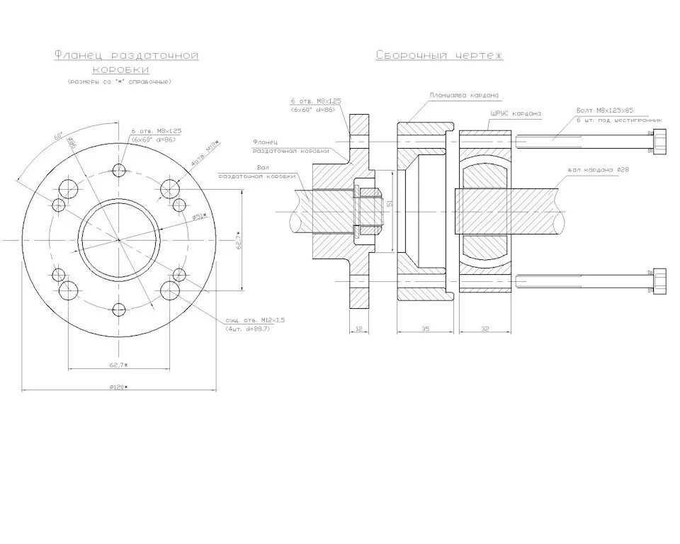
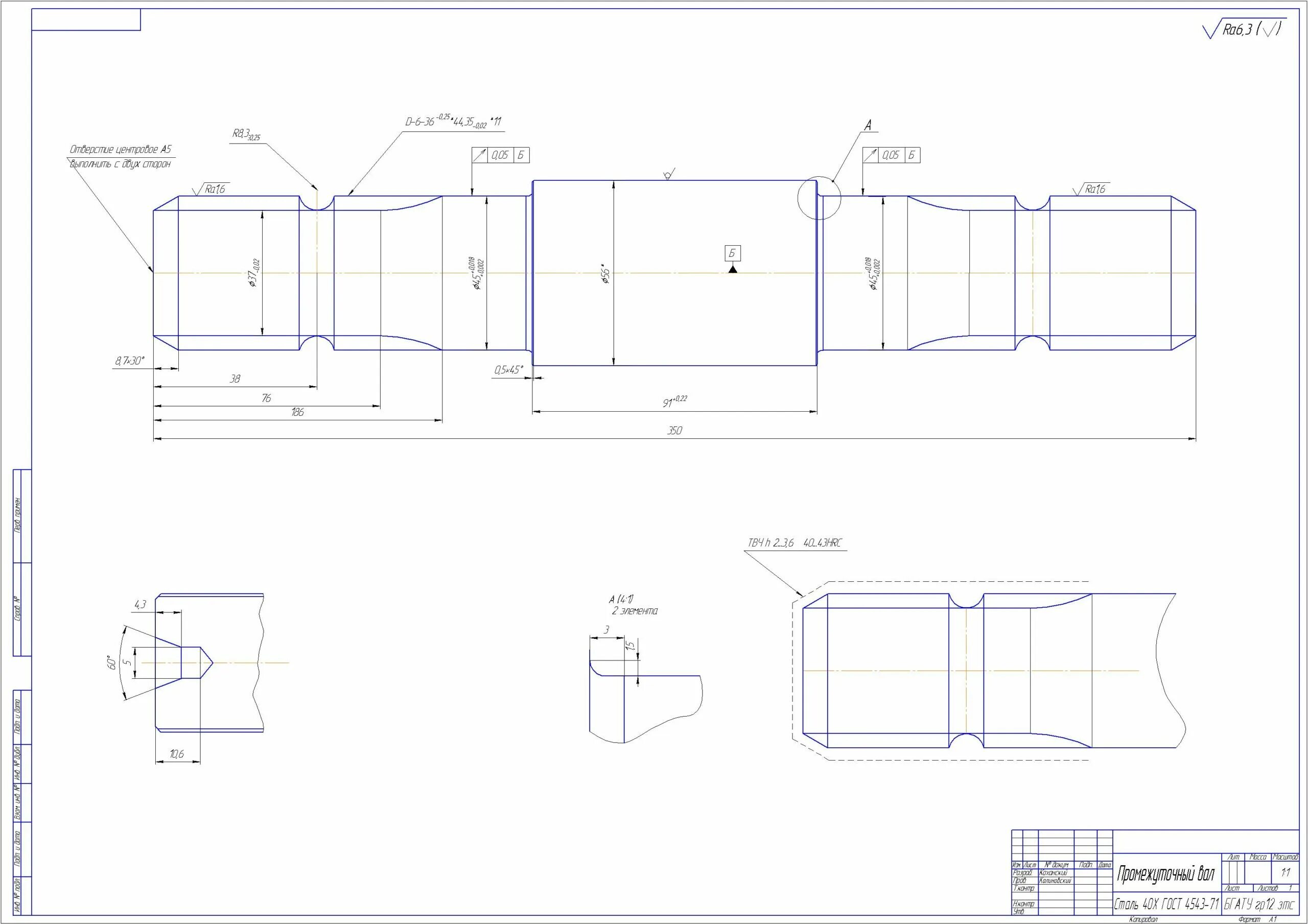
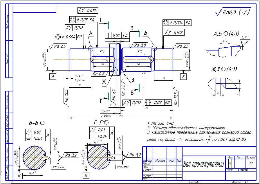
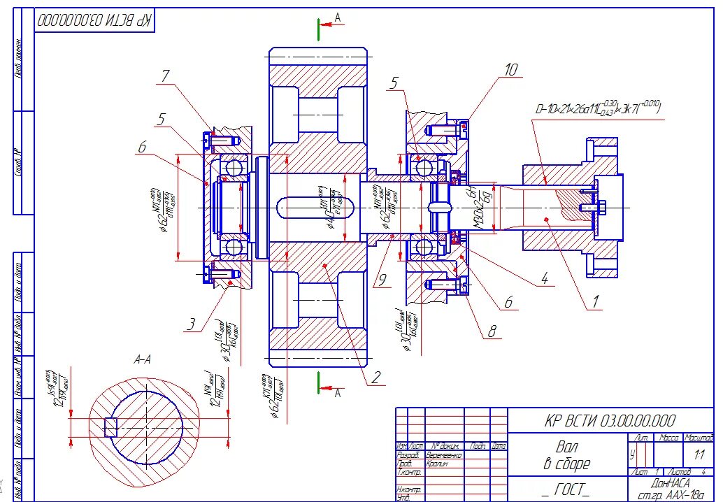
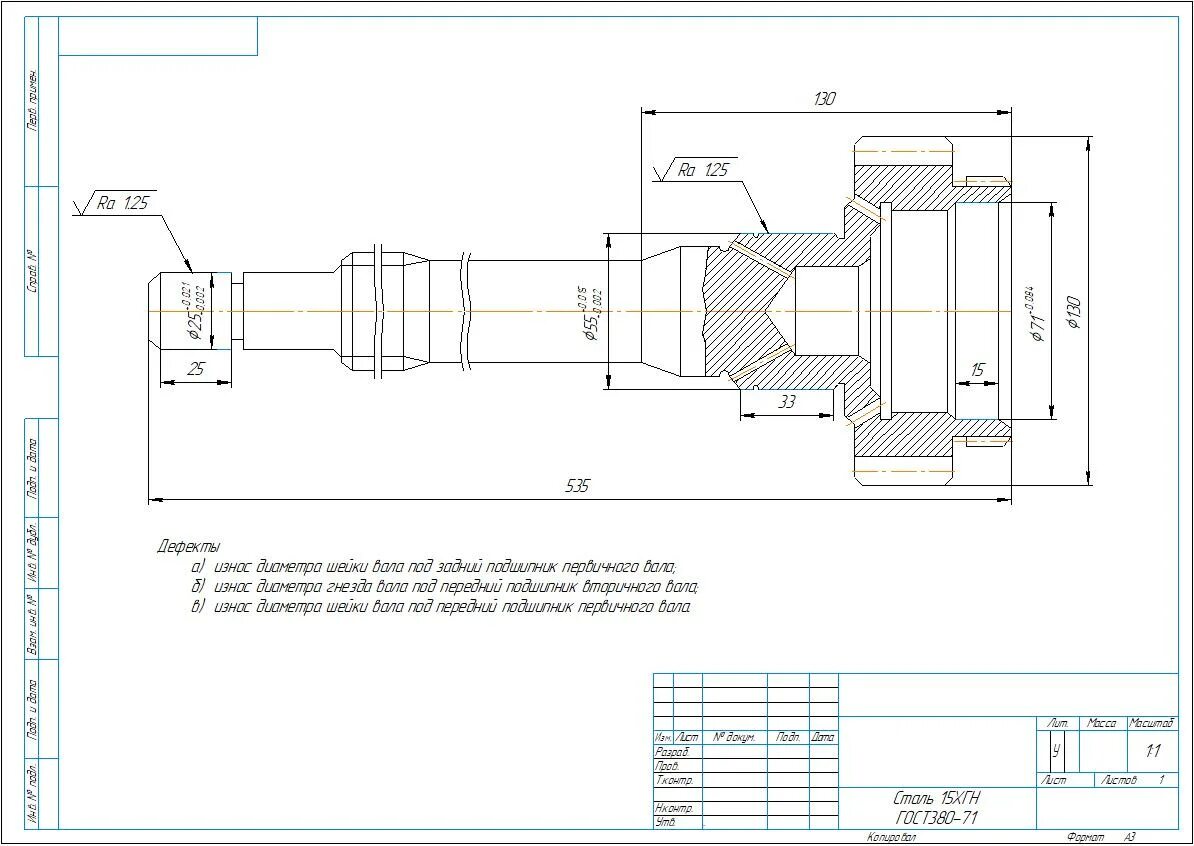
Промвал размеры