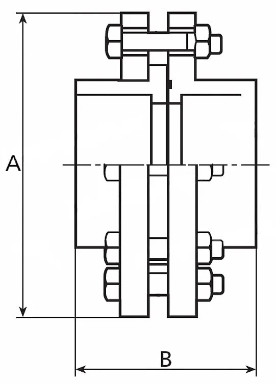
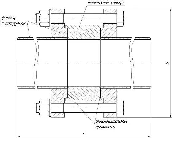
Пропуск фланцевого соединения