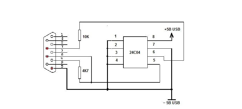
Прошивка 4c