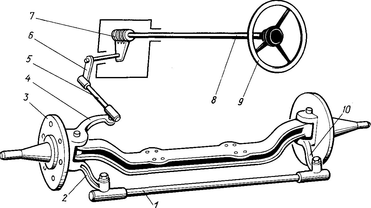
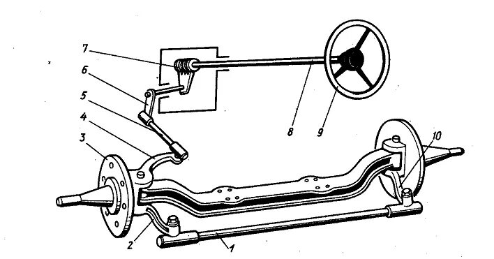
Простейшее рулевое управление