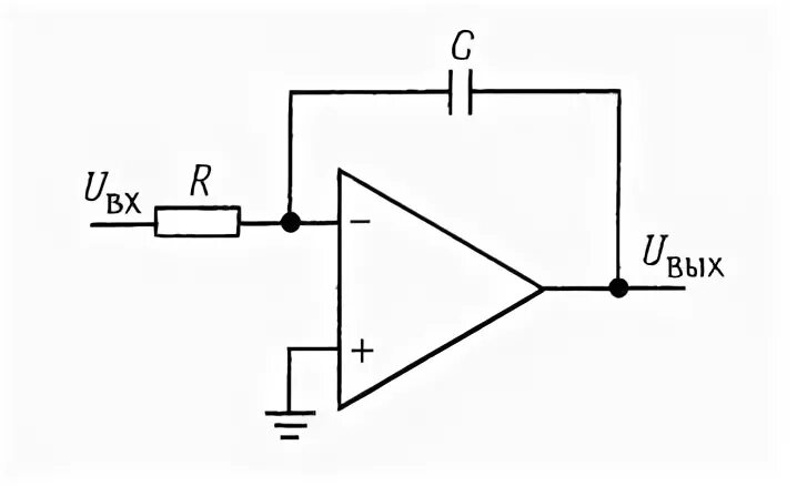
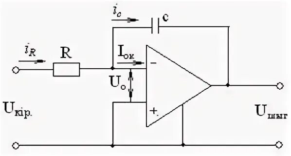
Простейший интегратор