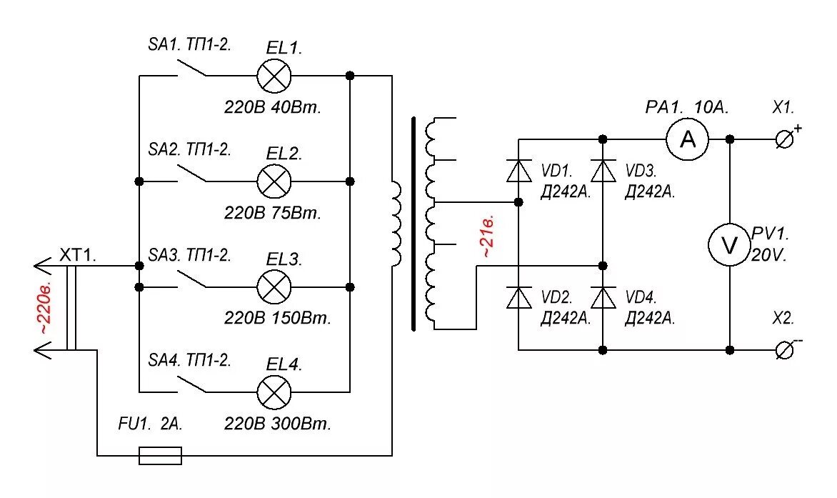
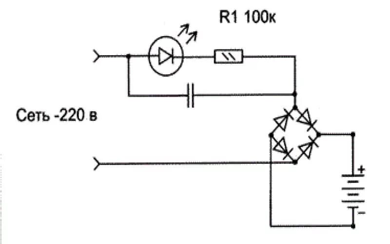
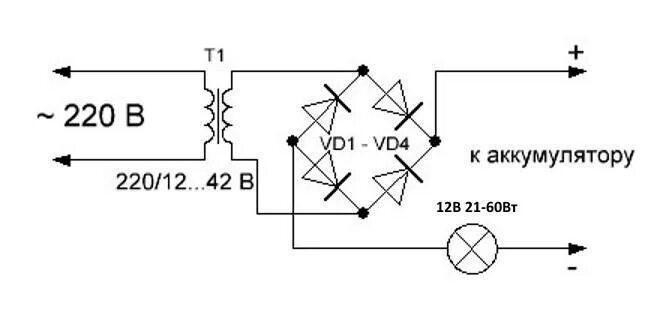
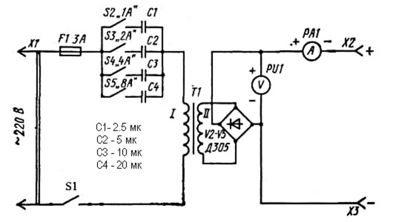
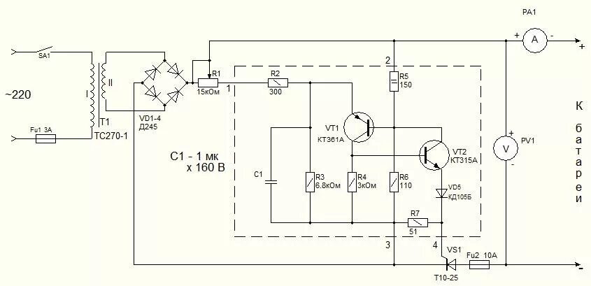
Простое зарядное устройство