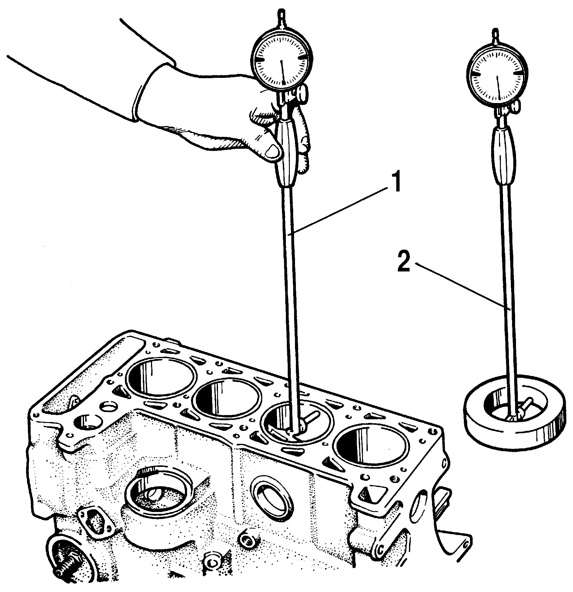
Проверка цилиндров двигателя