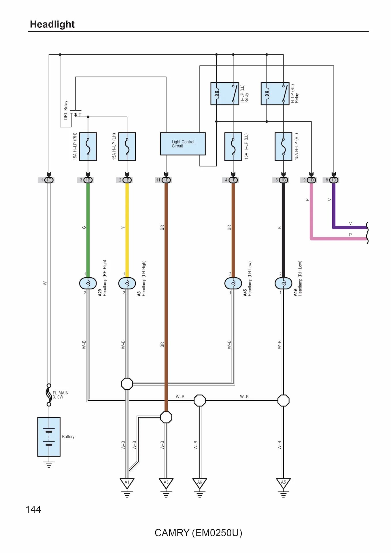
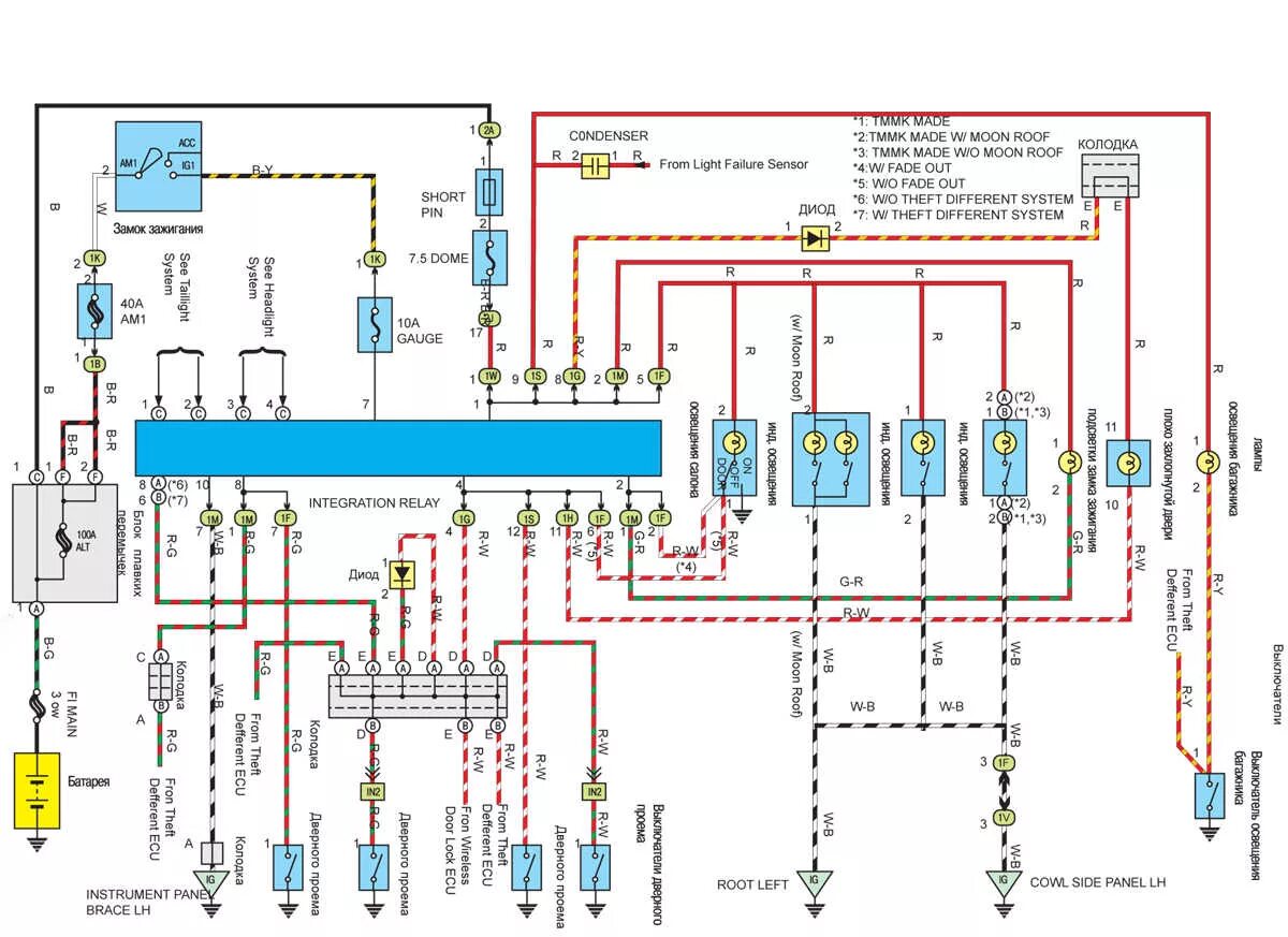
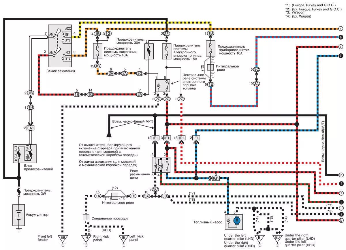
Проверьте систему головного освещения камри