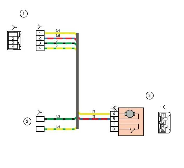
Проводка стеклоподъемников гранта