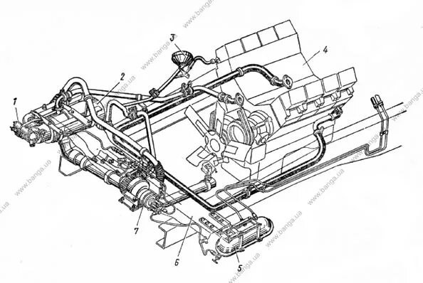
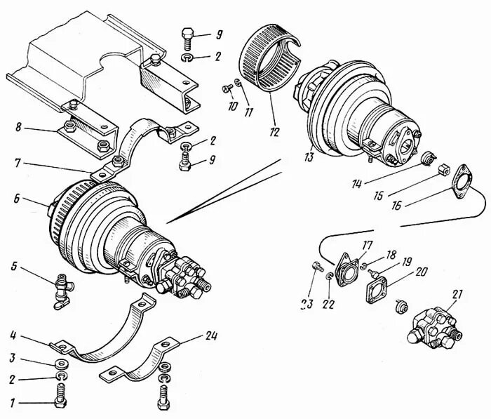
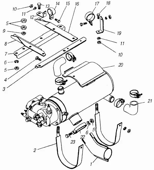
Пжд камаз 4310