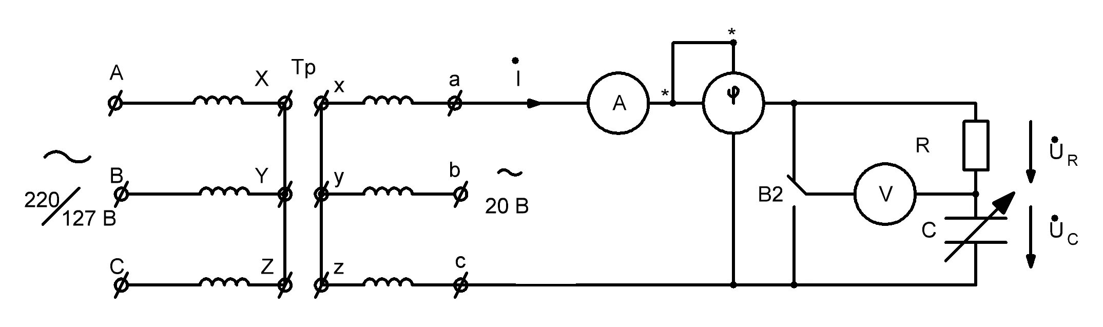
R c в цепи переменного тока