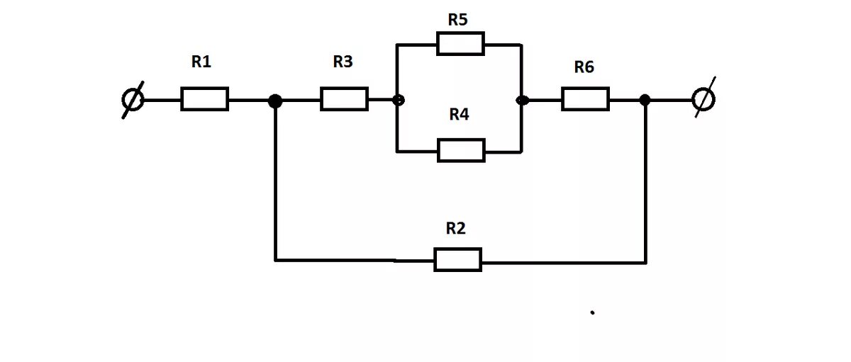
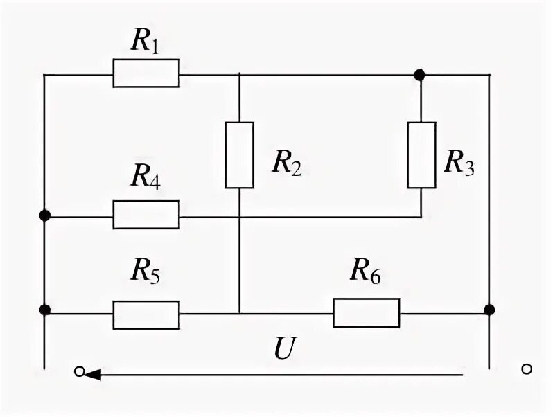
R1 r2 10 ом