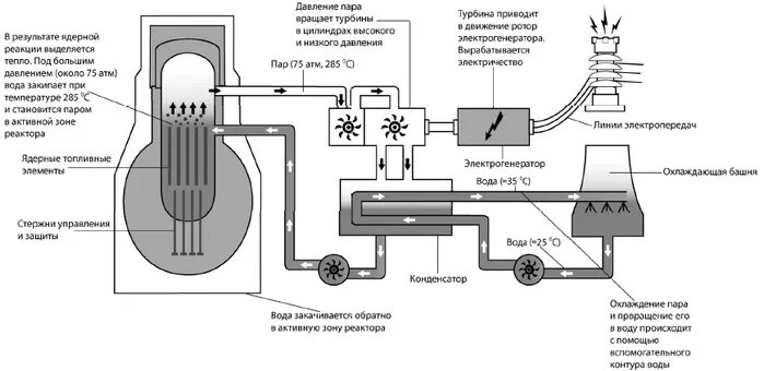
Работа атомного реактора