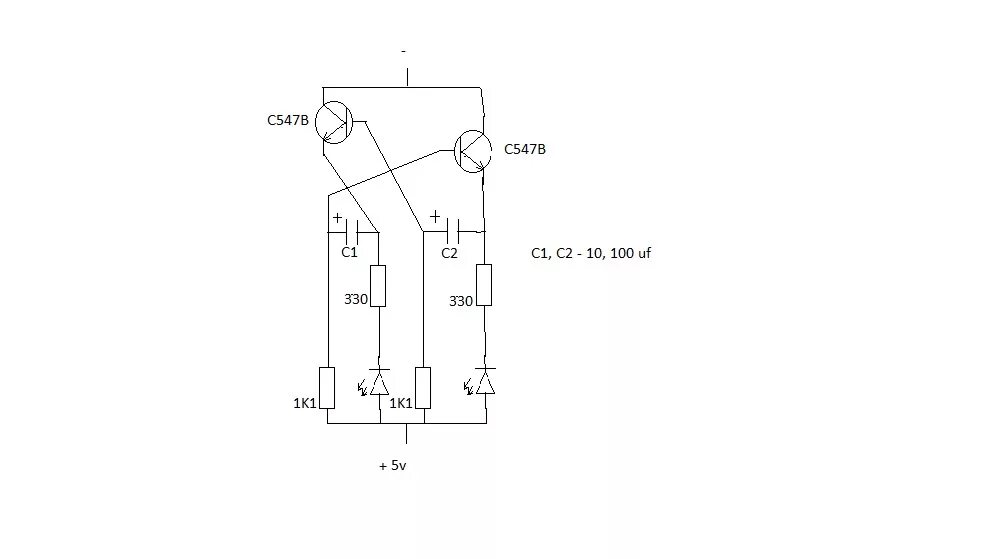
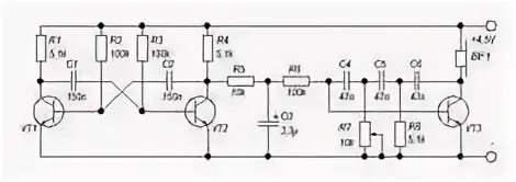
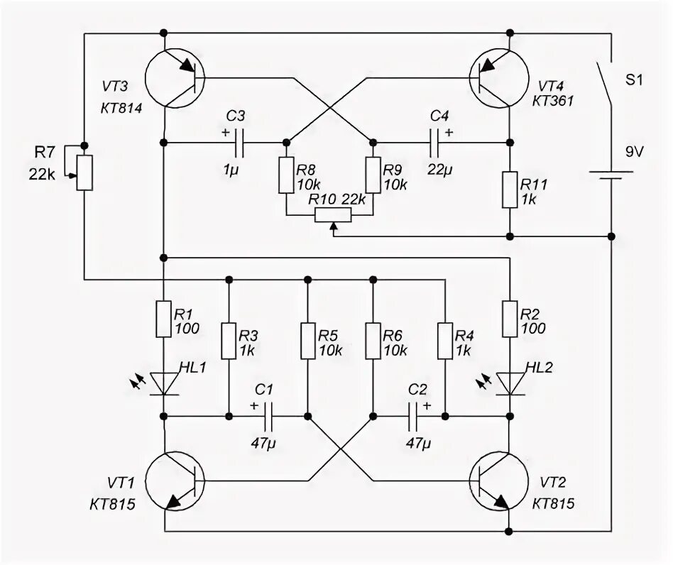
Работа мультивибратора