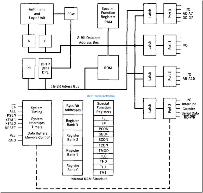
Ram function