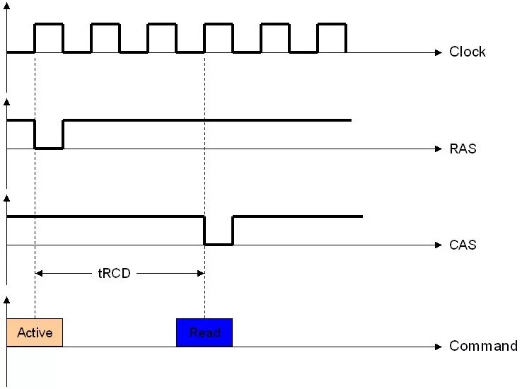
Ram timing