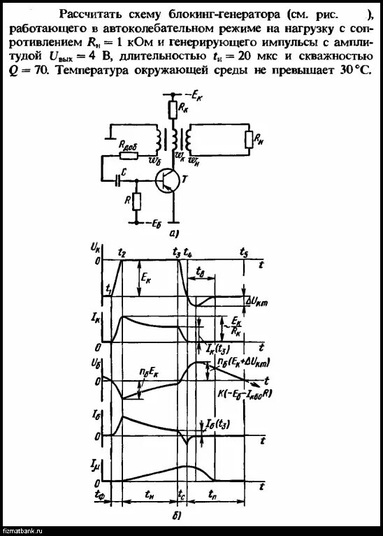
Расчет генератора