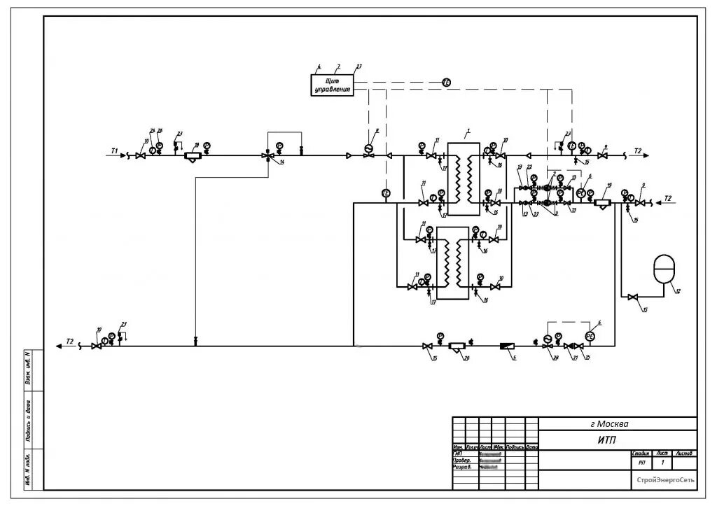
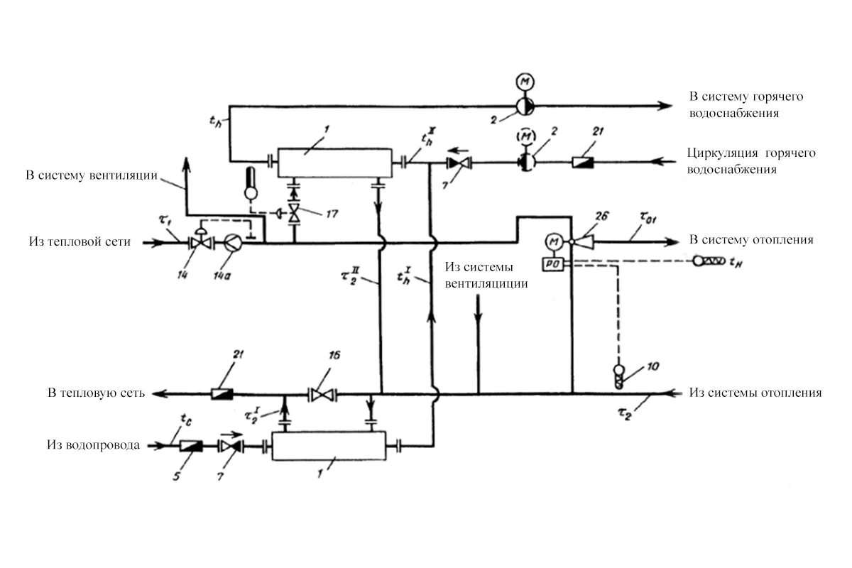
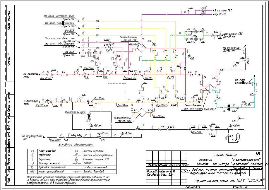
Расчет итп