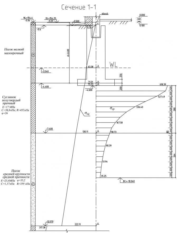
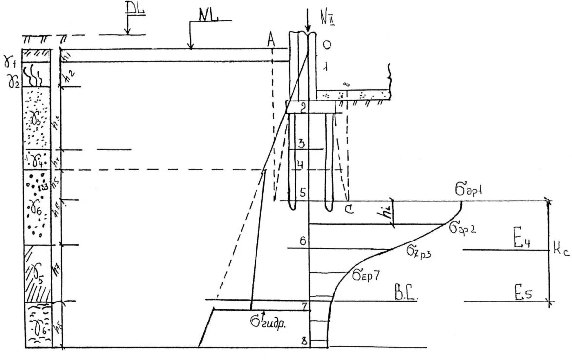
Расчет осадок методом послойного суммирования