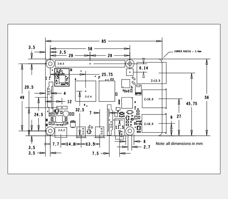
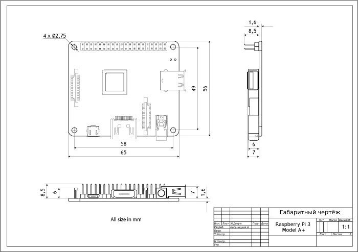
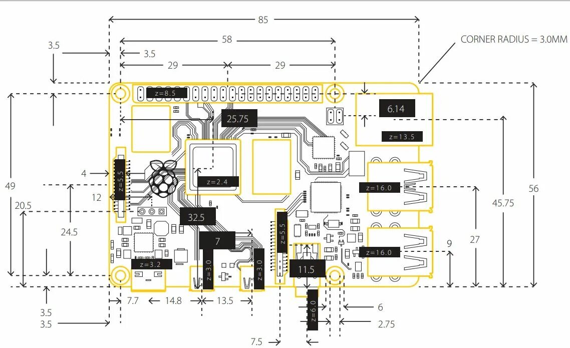
Raspberry pi размеры