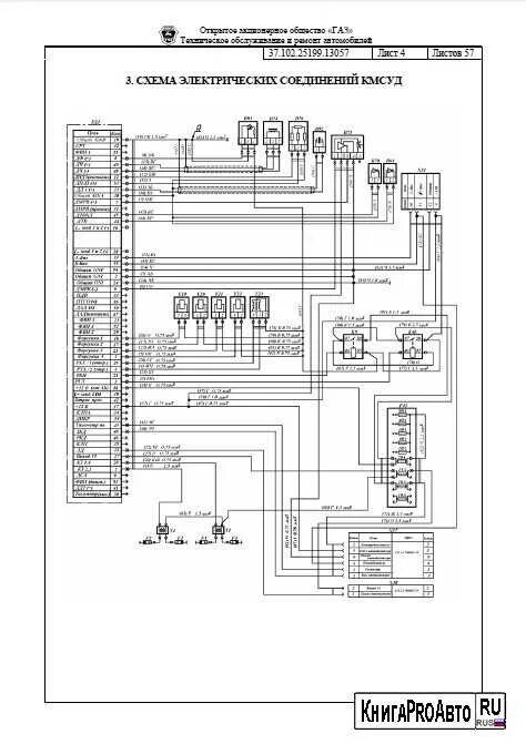
Распиновка микас 7.1 инжектор