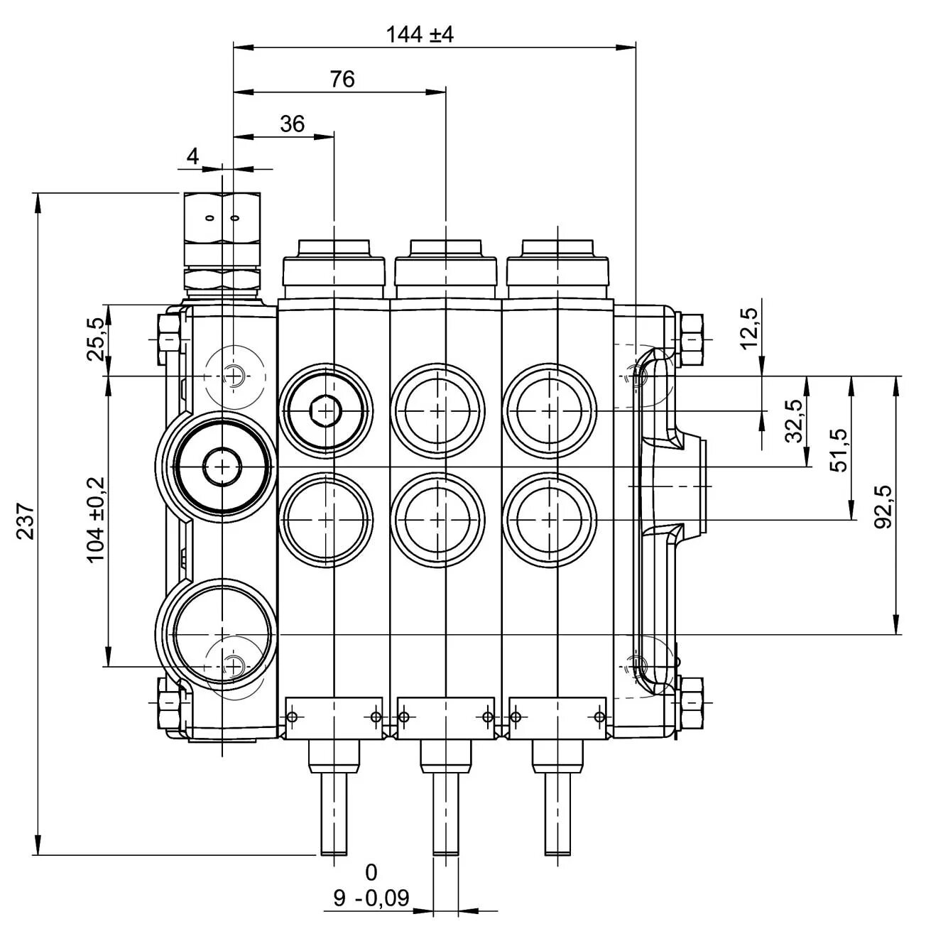
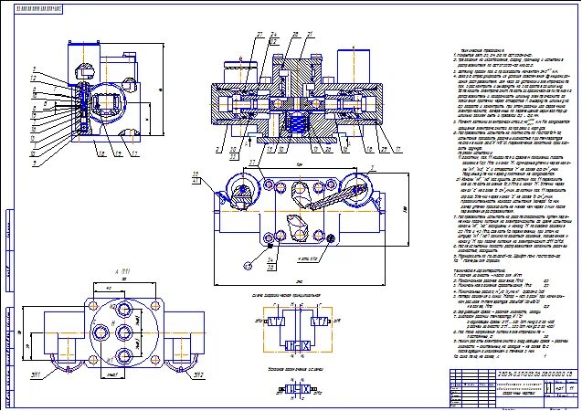
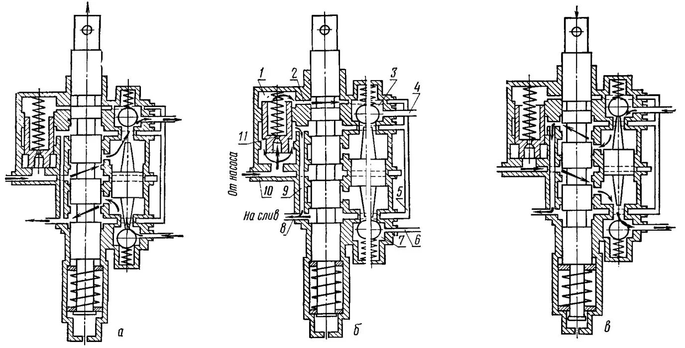
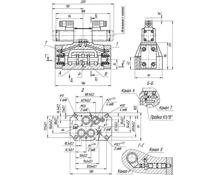
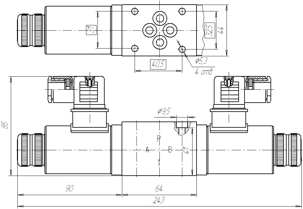
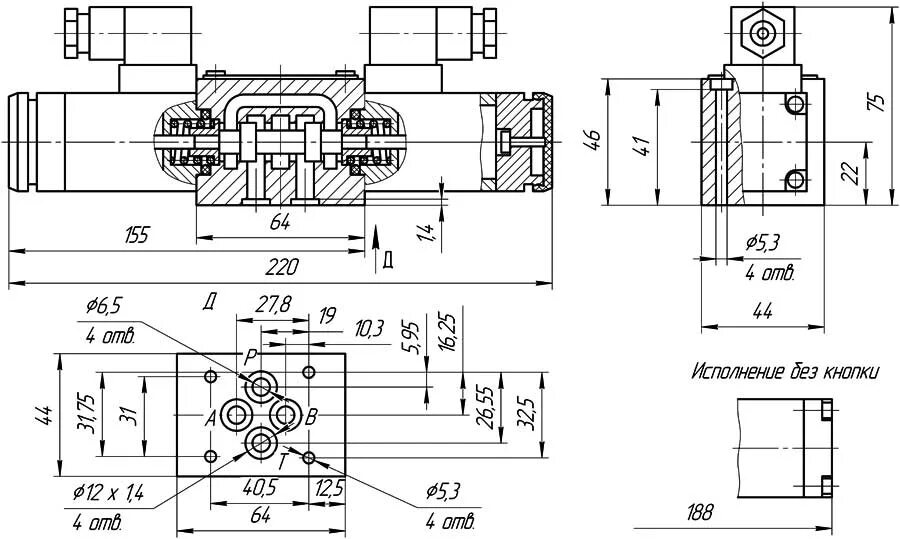
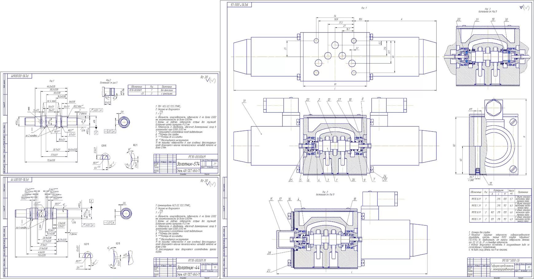
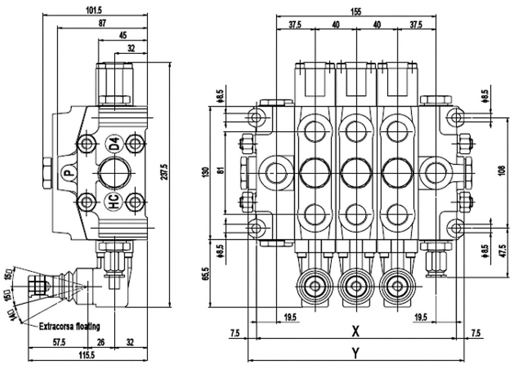
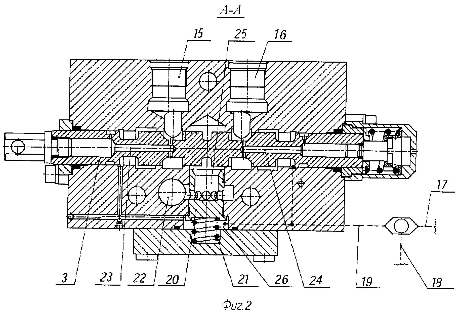
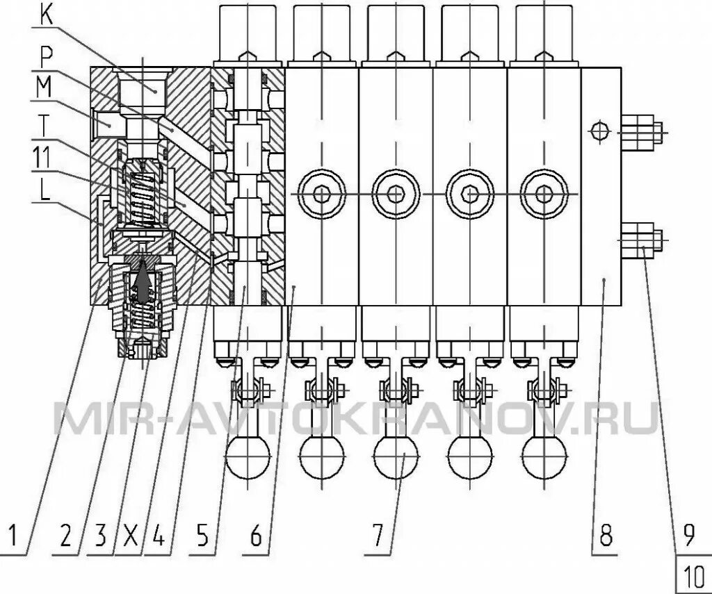
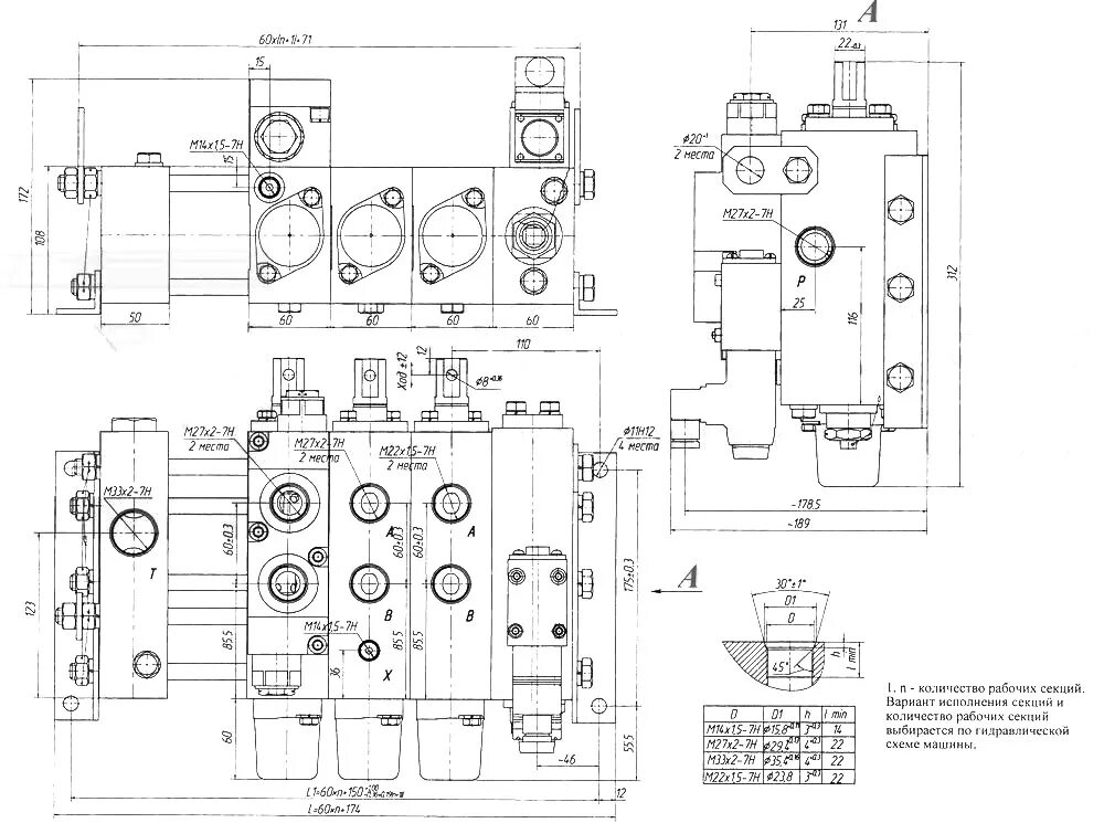
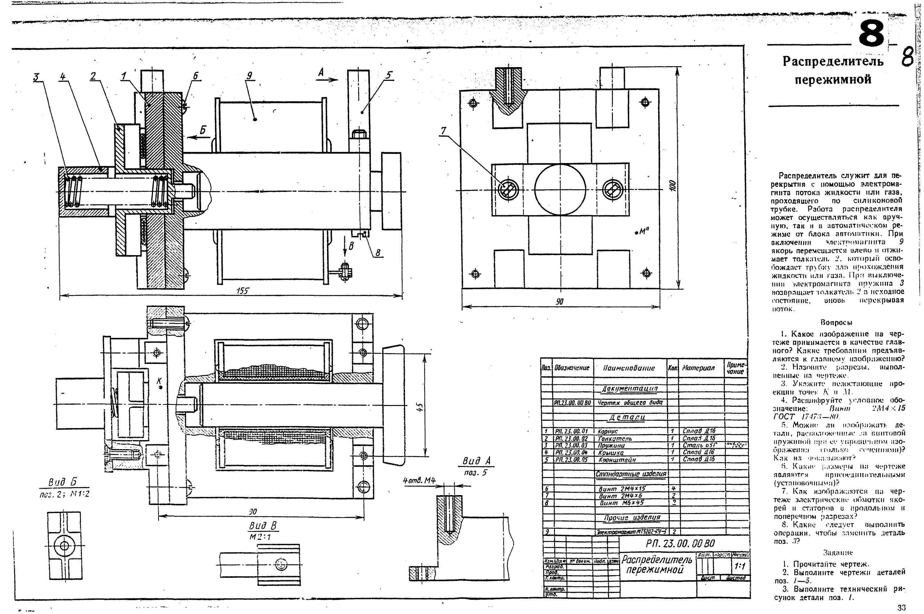
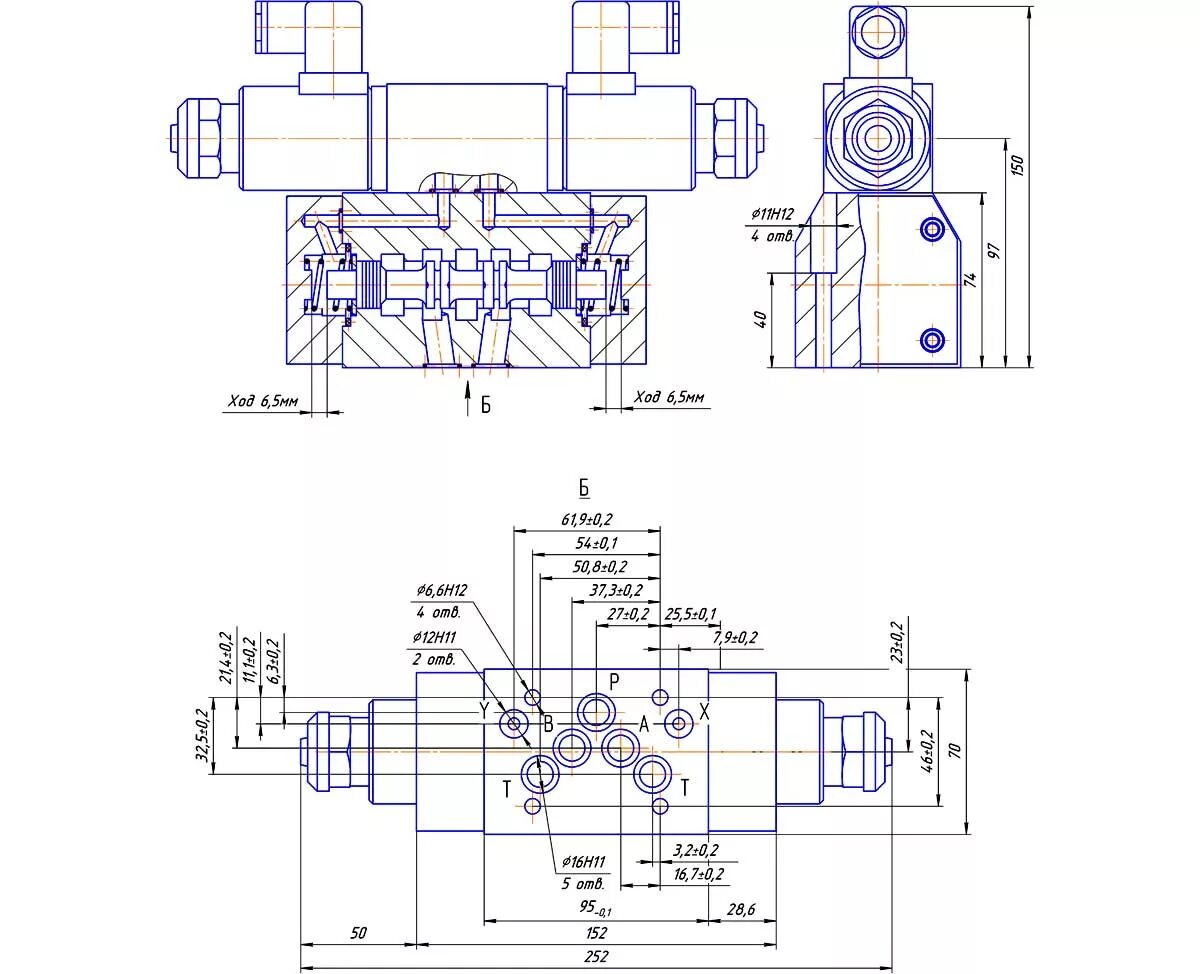
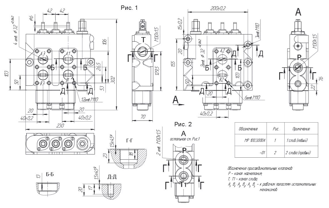
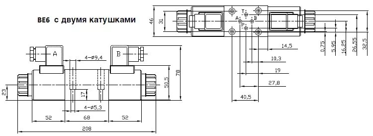
Распределитель чертеж