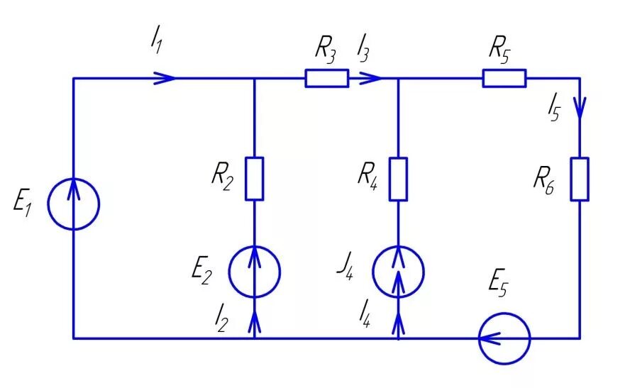
Рассчитать ток генератора