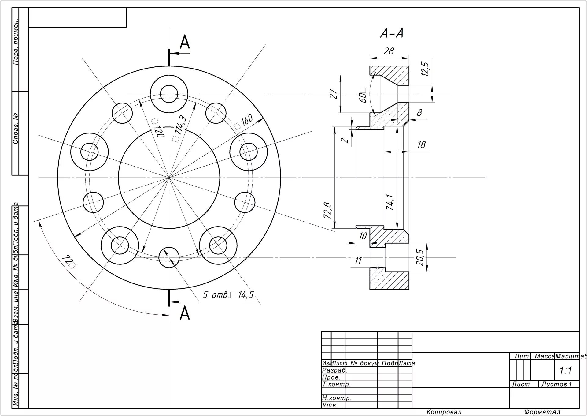
Разболтовка тигго