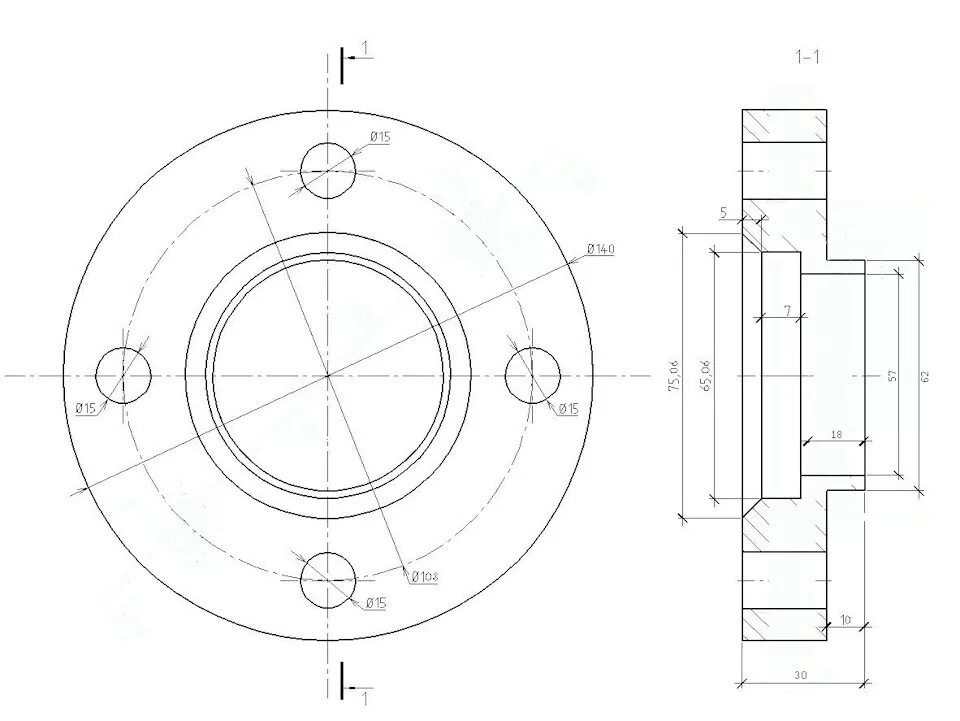
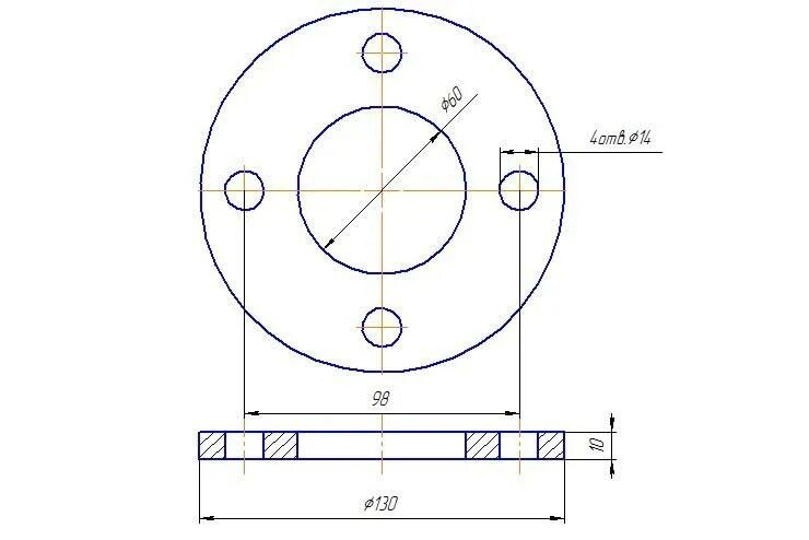
Размер дисков 4 100