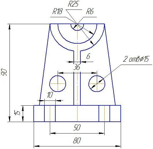
Размер инженерных