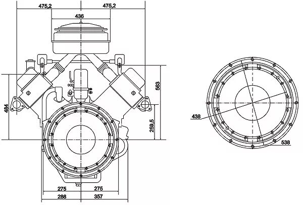
Размеры двигателя ямз