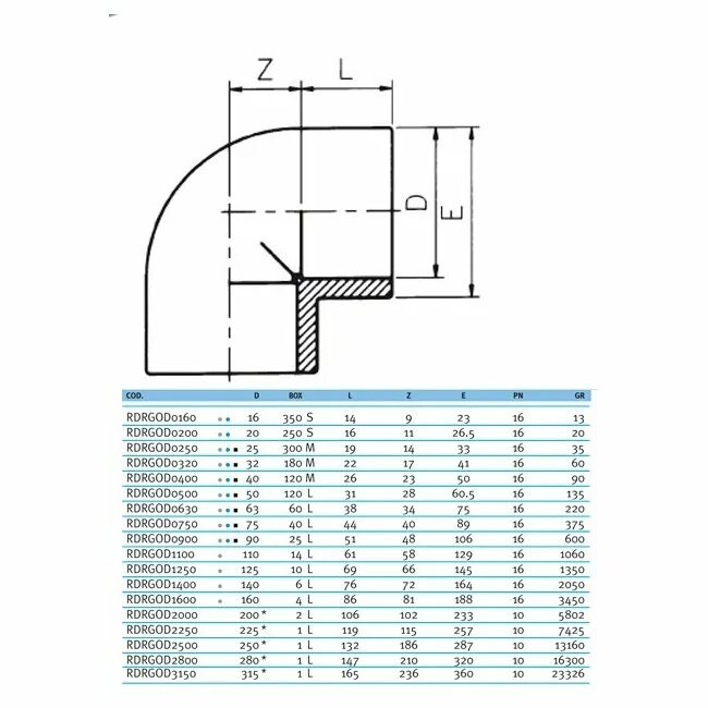
Размеры фитингов пвх