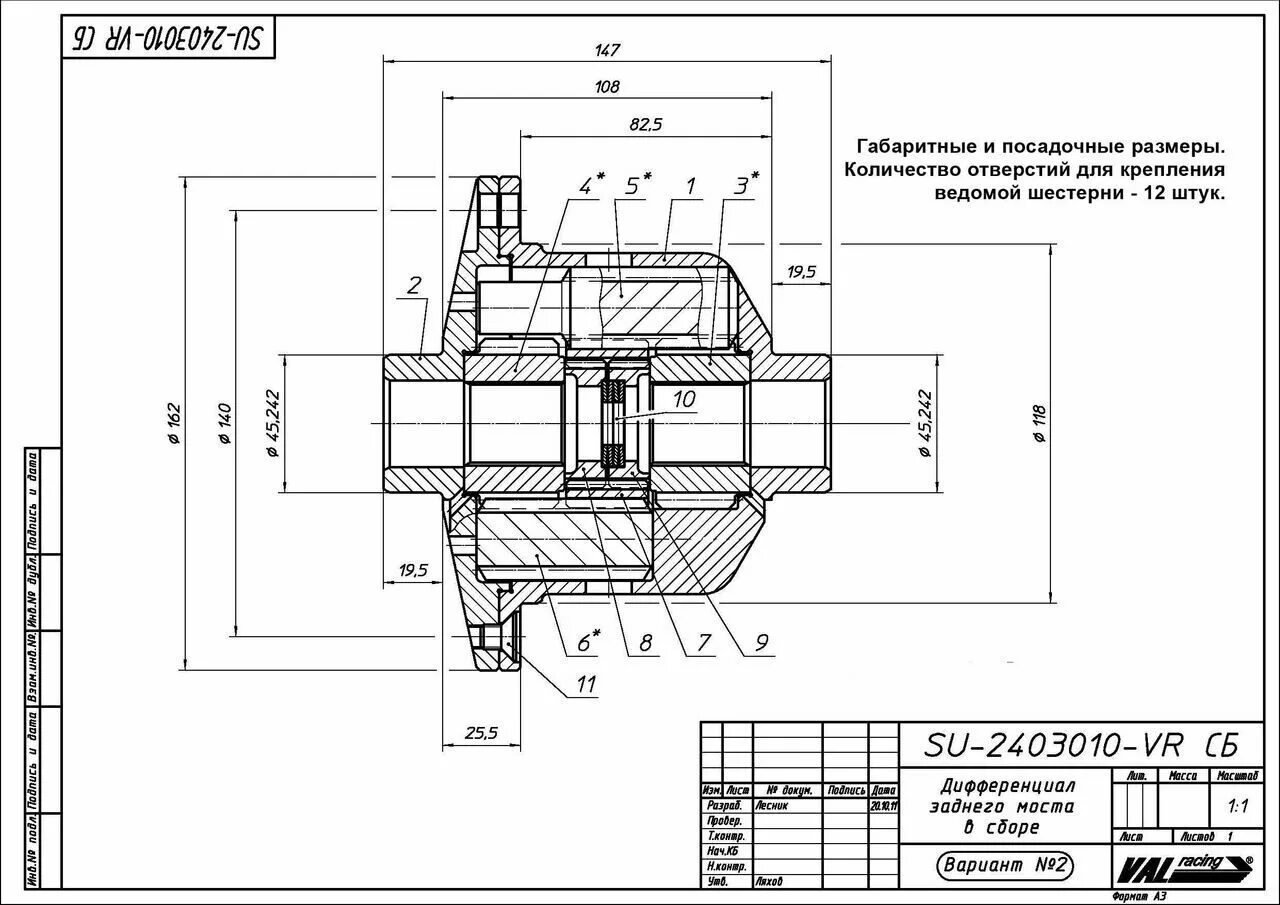
Размеры заднего