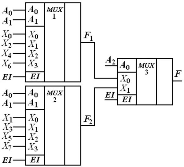
Реализация мультиплексора