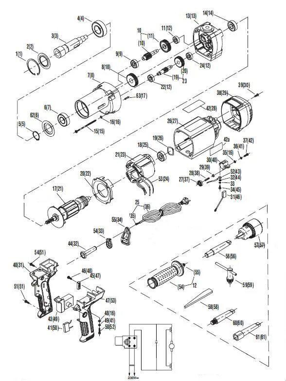
Rebir 1300