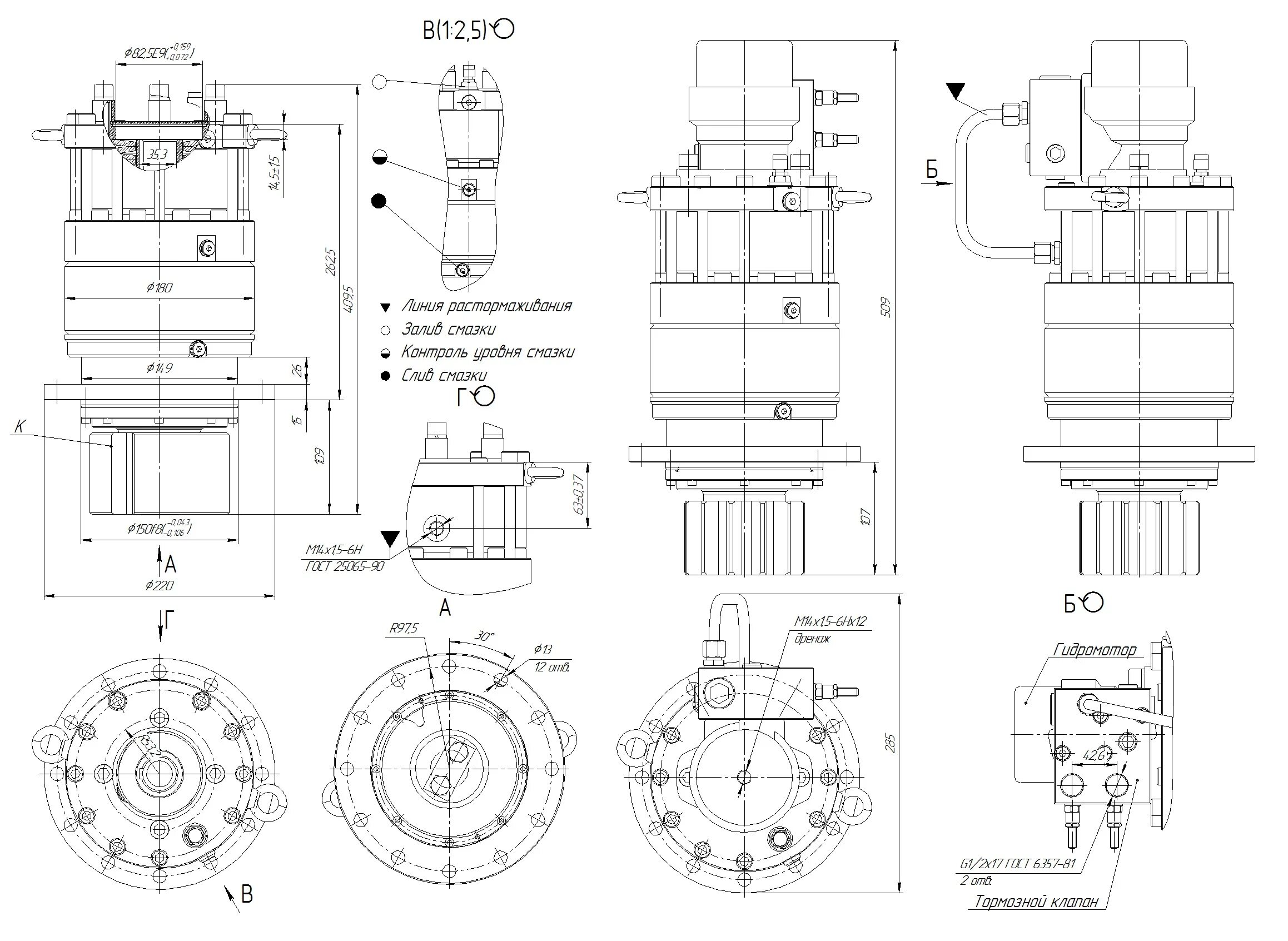
Редуктор мпв