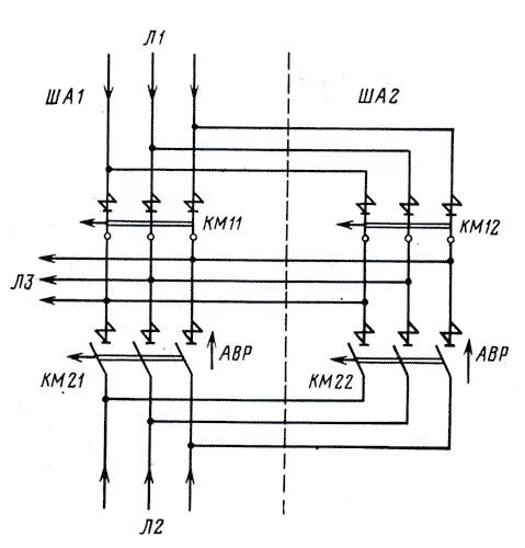
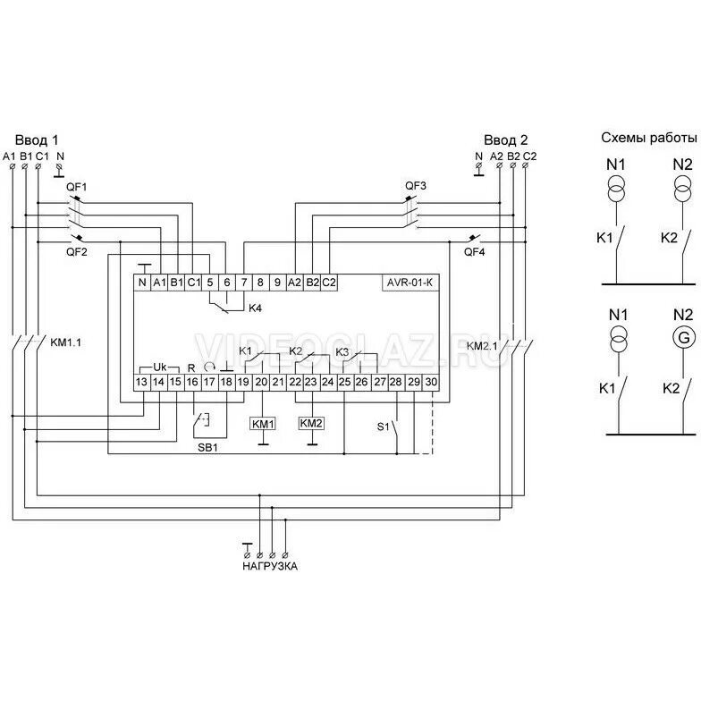
Регулировка авр