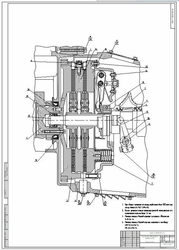
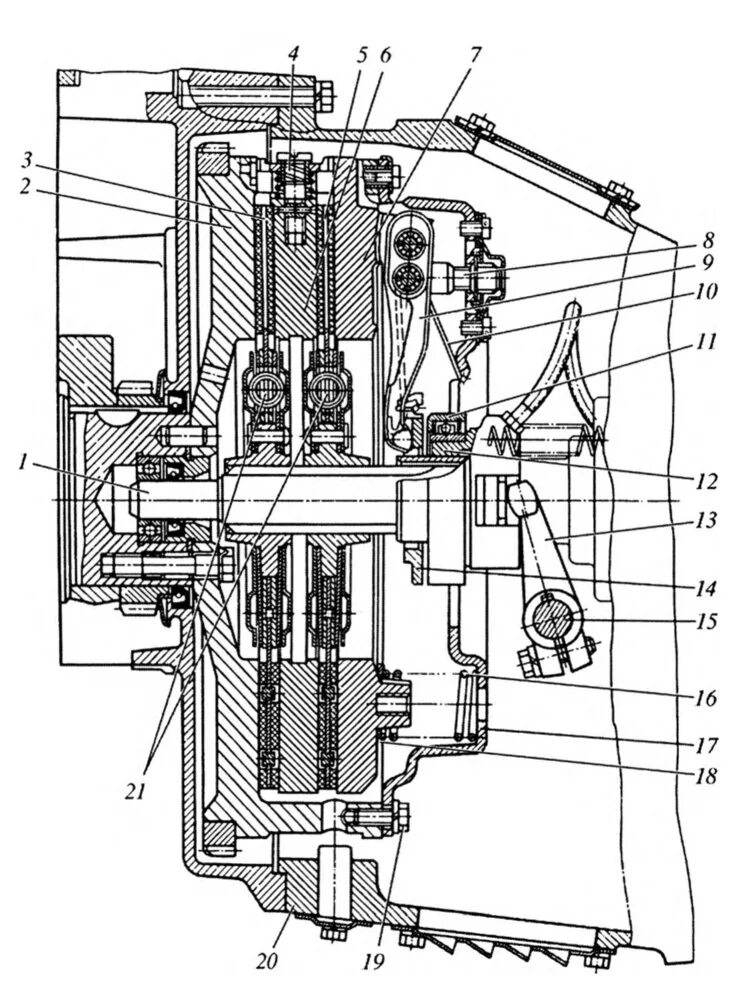
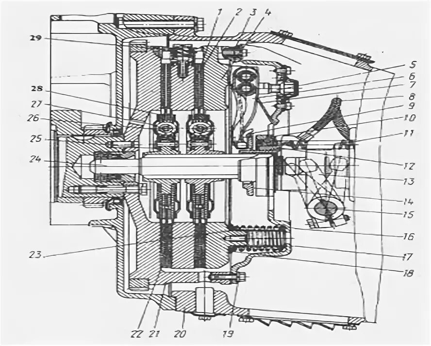
Регулировка сцепления камаз двухдисковое зазор