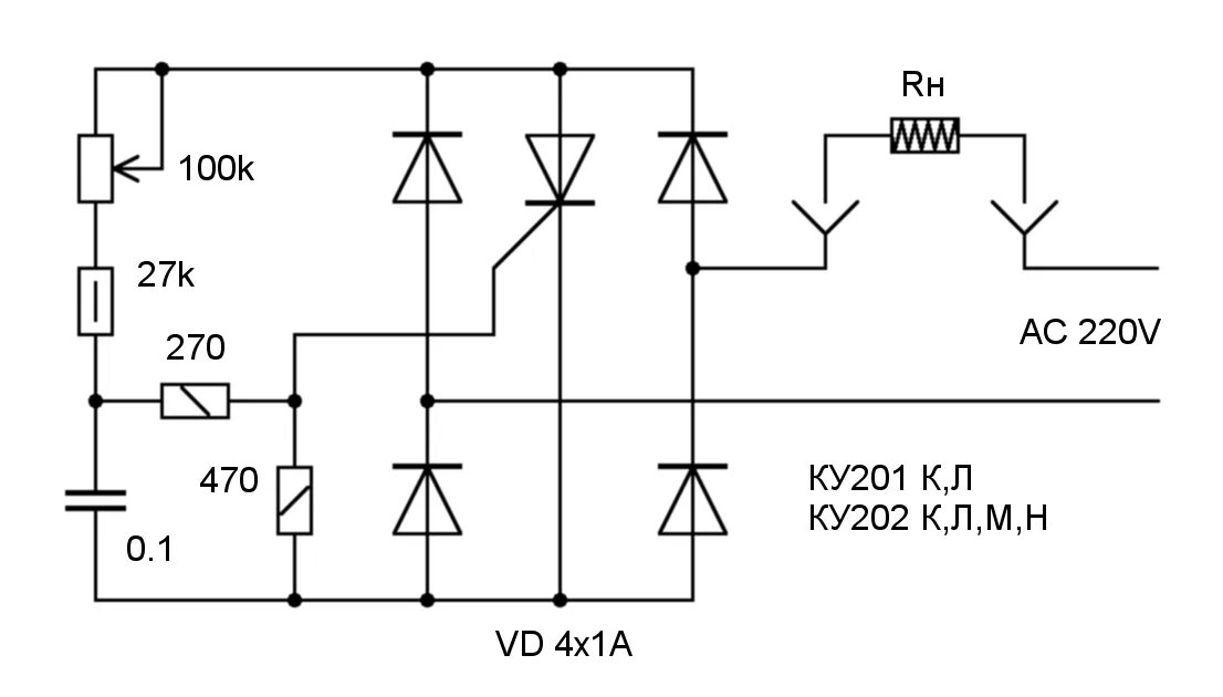
Регулируем мощность