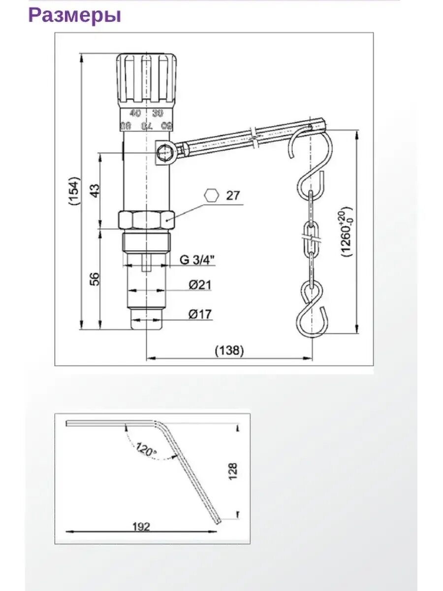
Регулятор тяги котла rt4