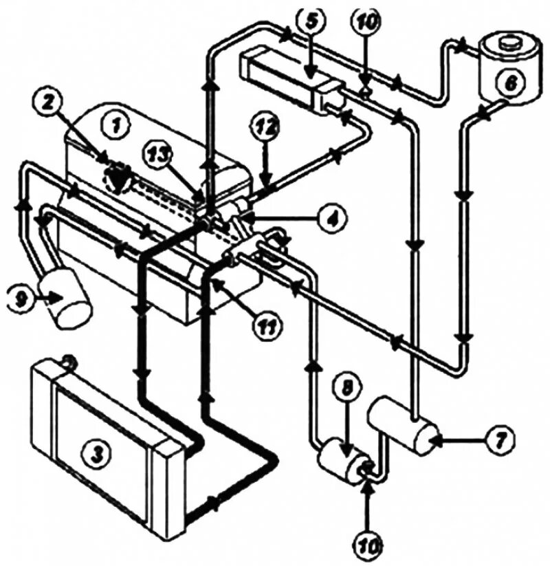
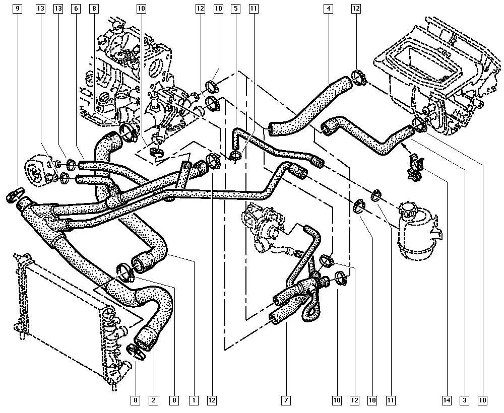
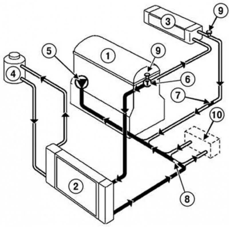
Рено дастер система охлаждения двигателя