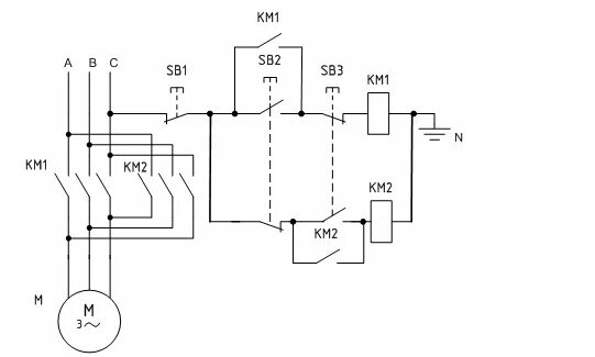
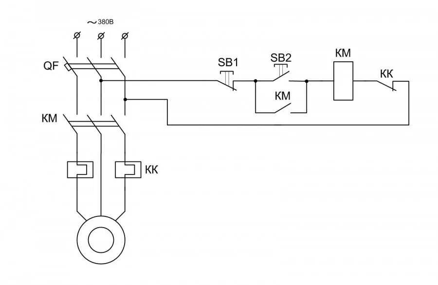
Реверсивная схема