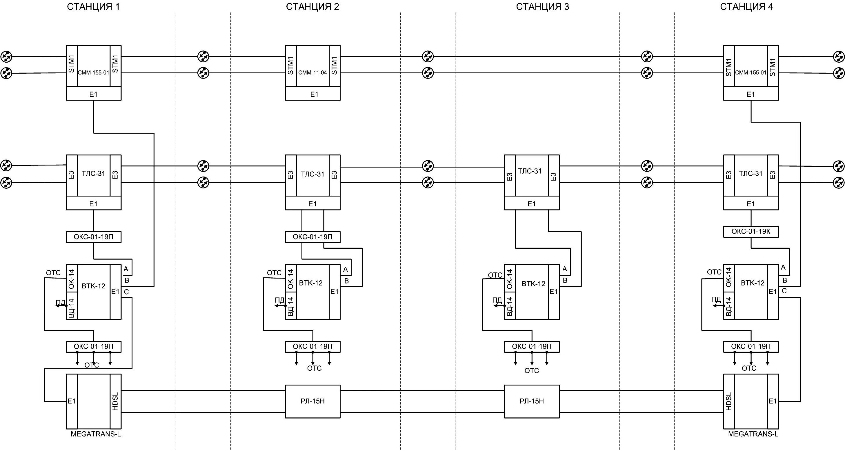
Резервирование 5