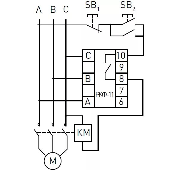
Ркф 11