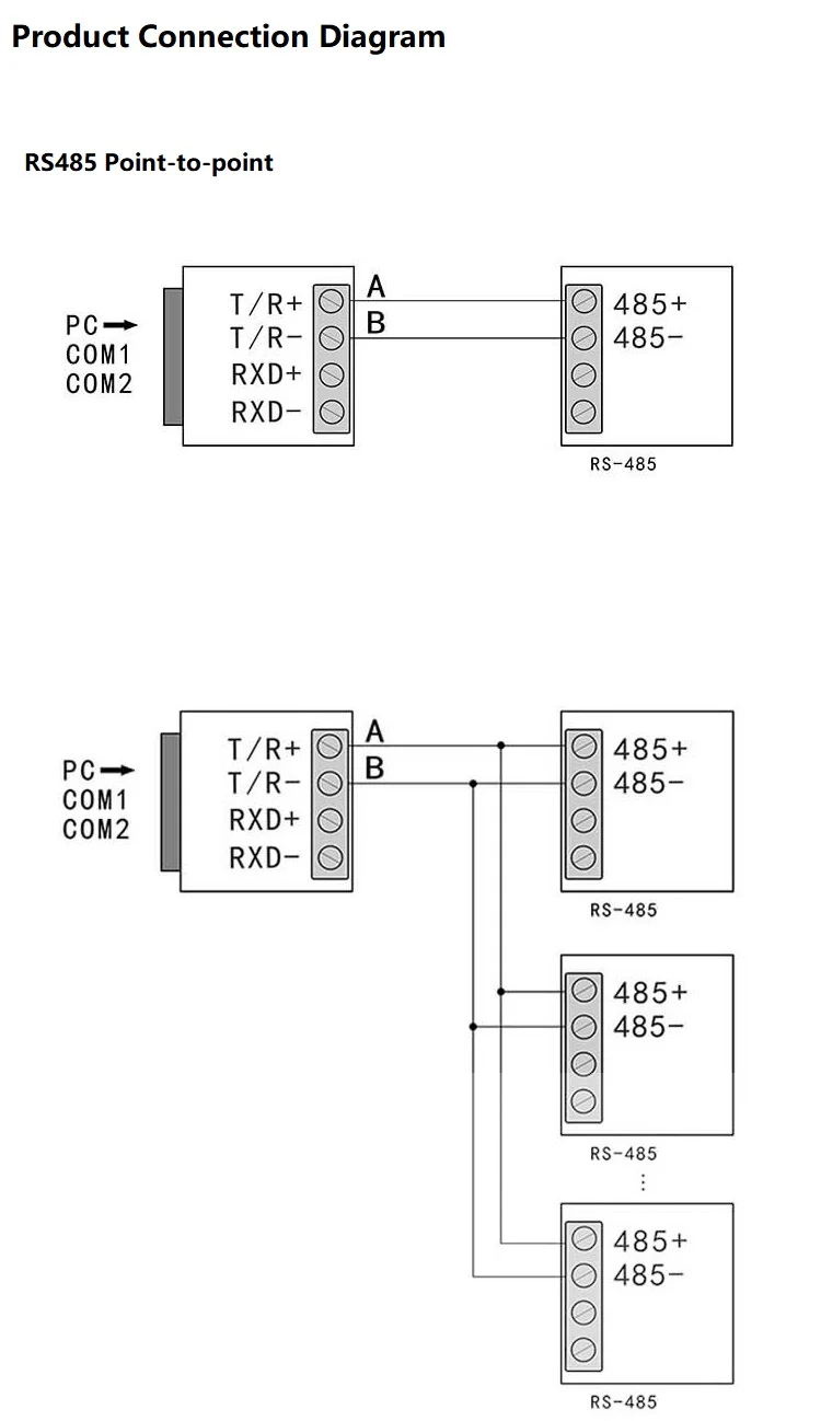
Rs485 a b