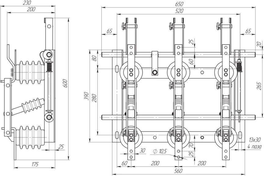
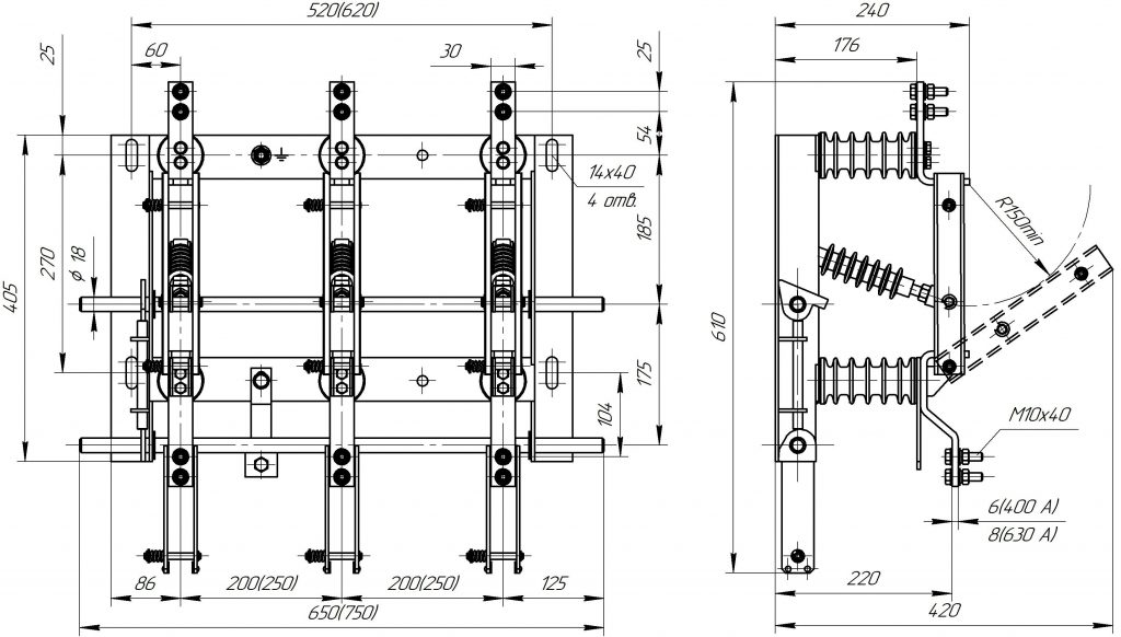
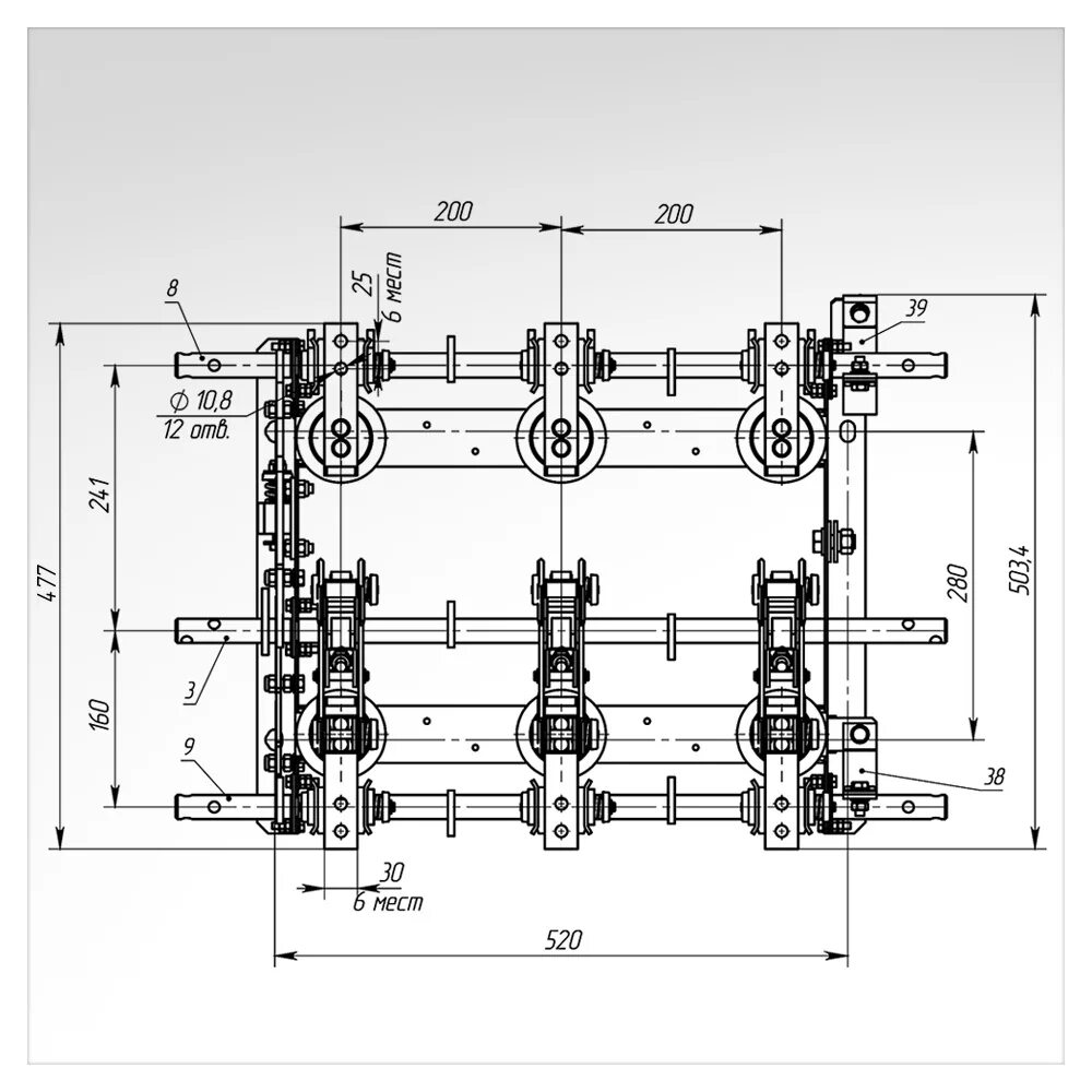
Рвз 10 630 ii