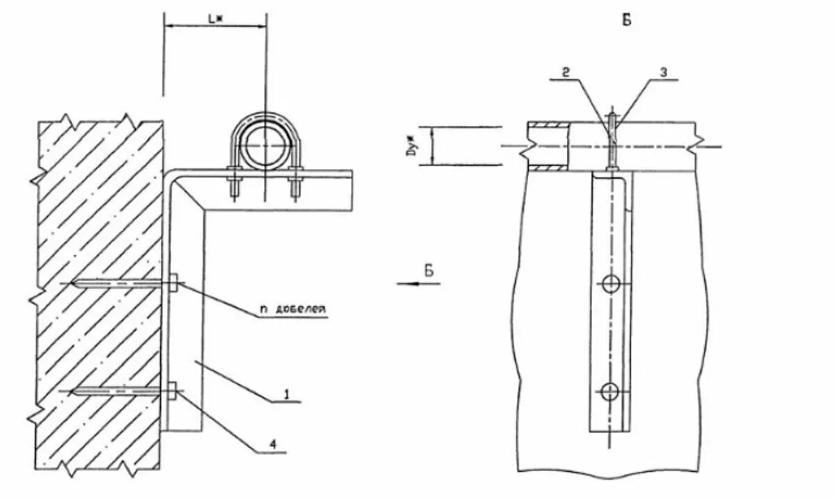
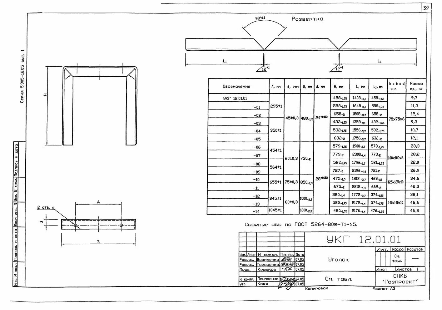
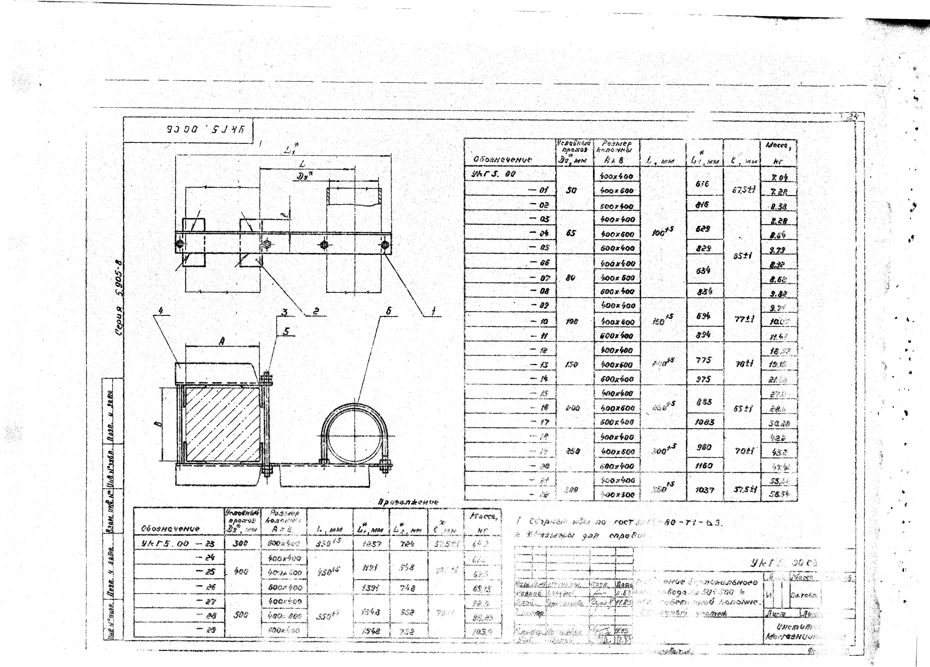
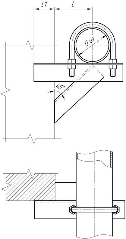
С 5.905 18.05