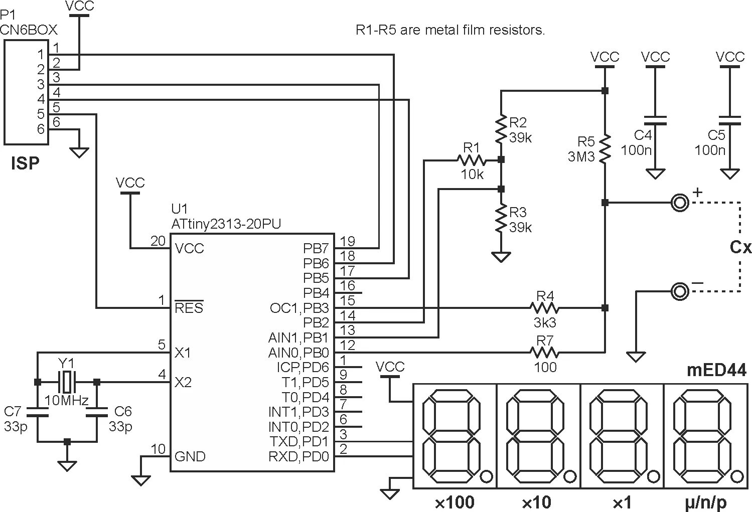
С помощью микроконтроллера