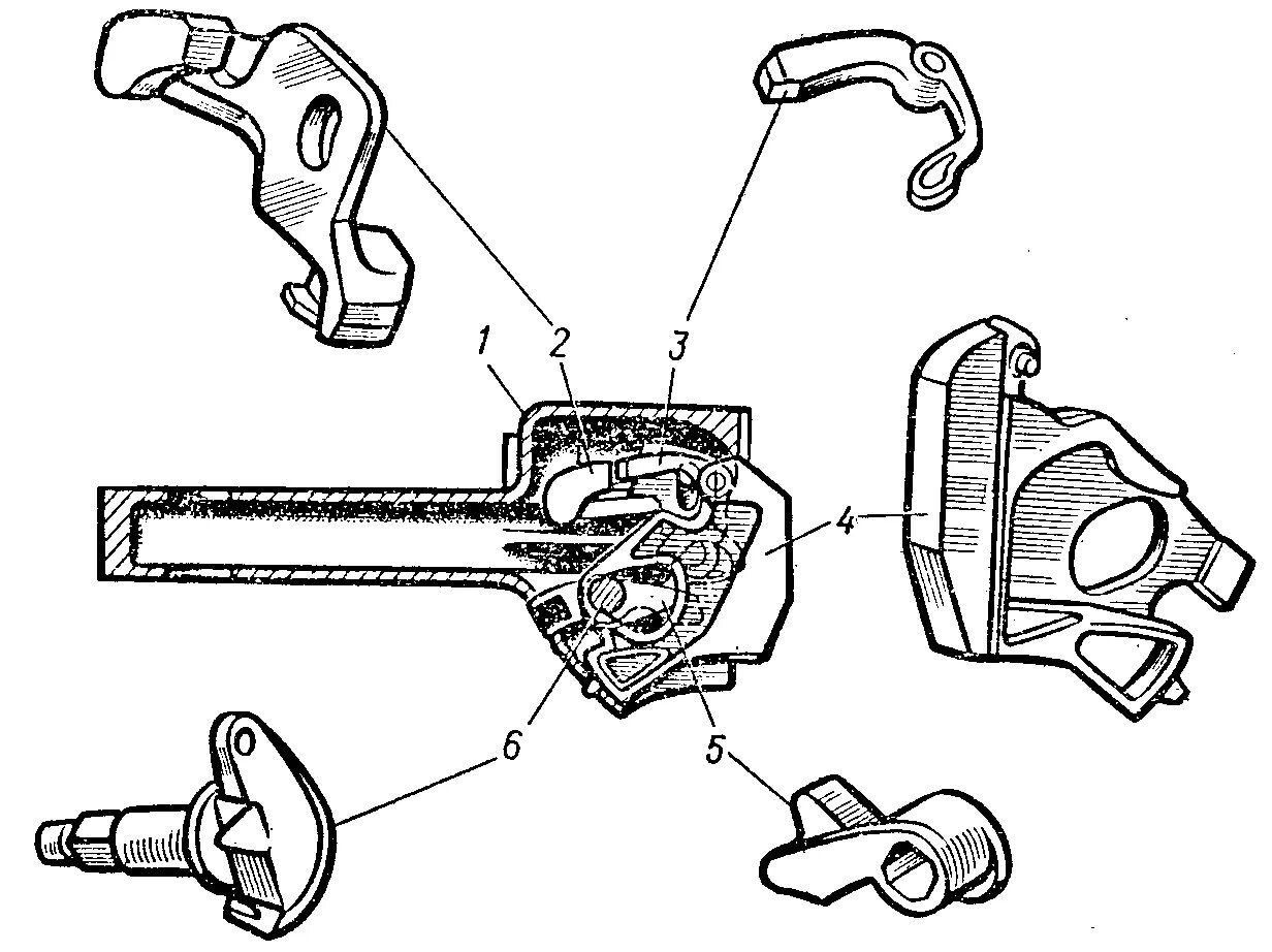
Саморасцеп автосцепок