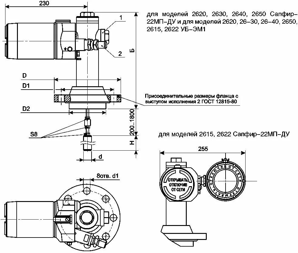
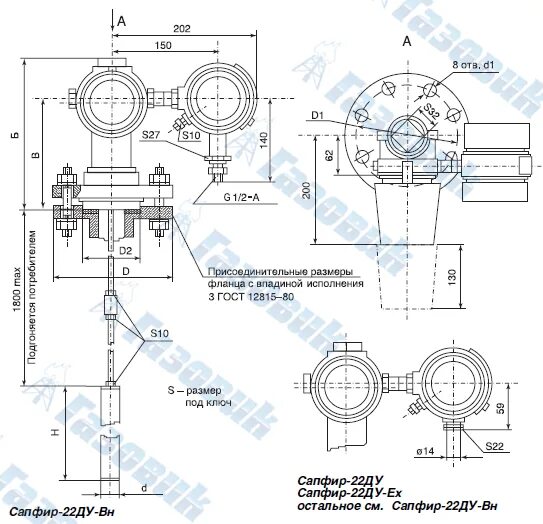
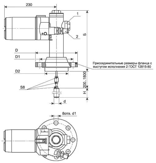
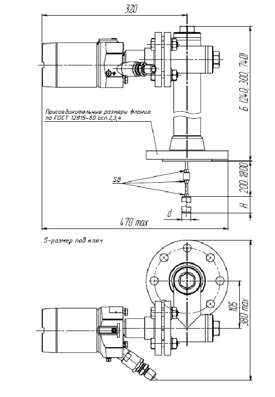
Сапфир ду