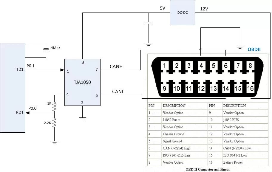
Scanx max 2в1 obd2