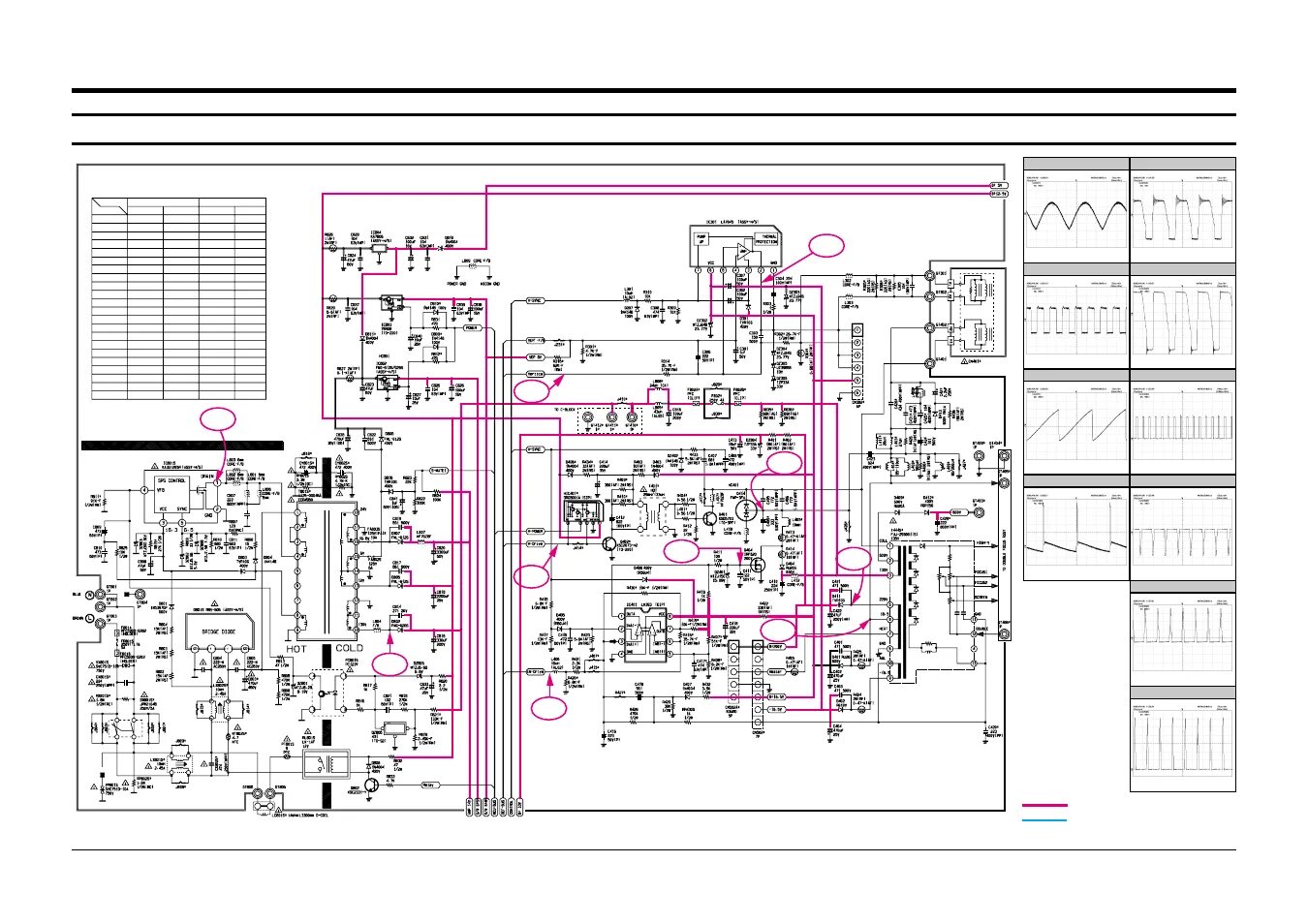
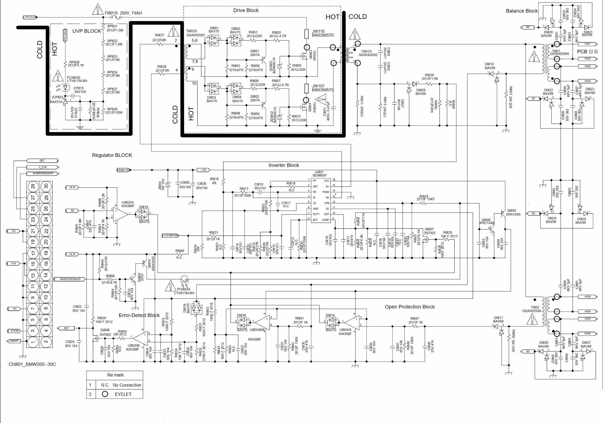
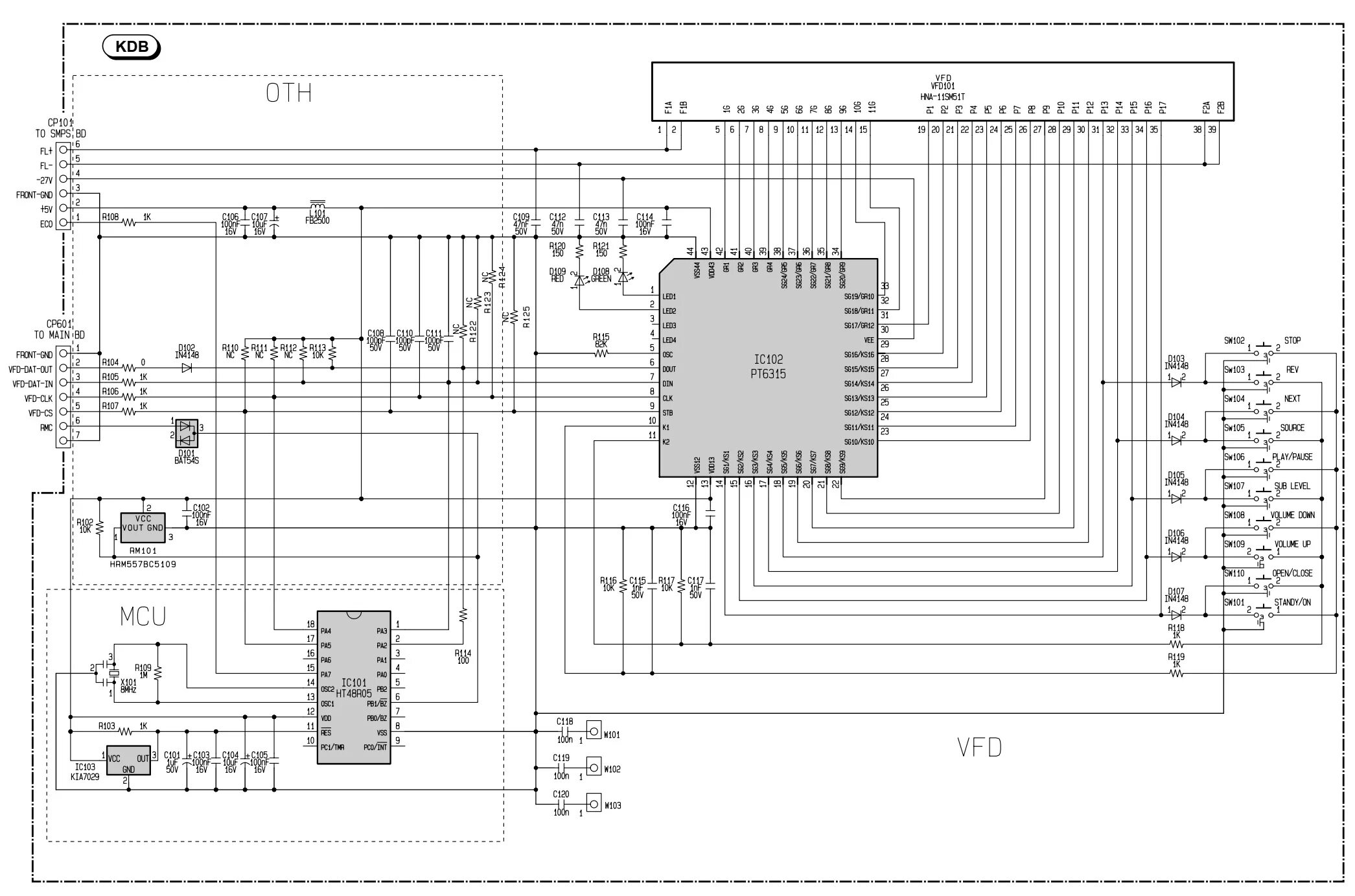
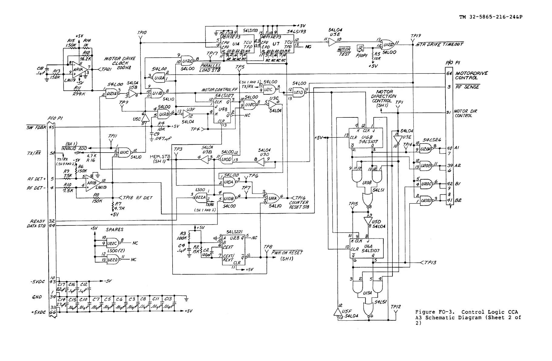
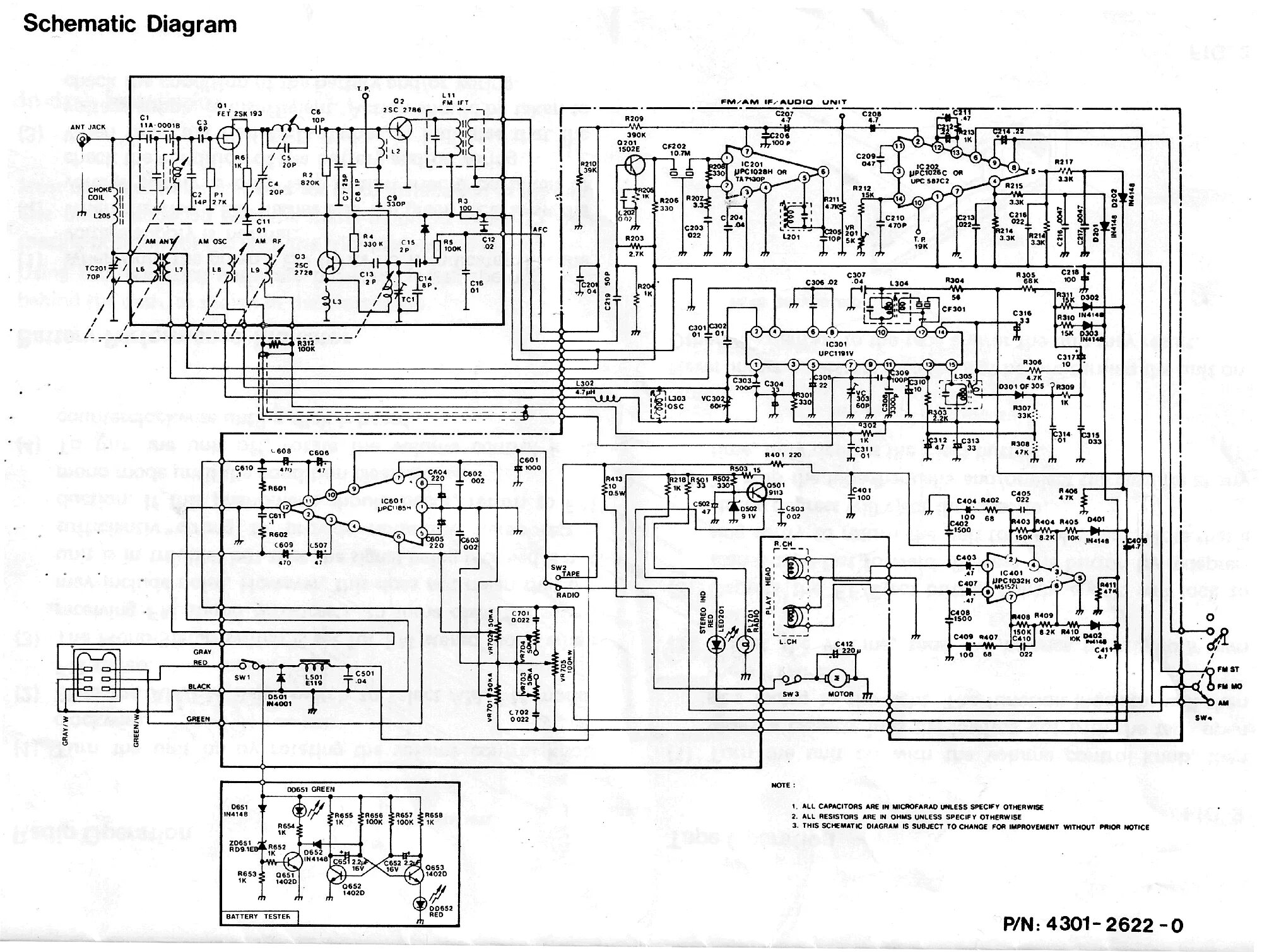
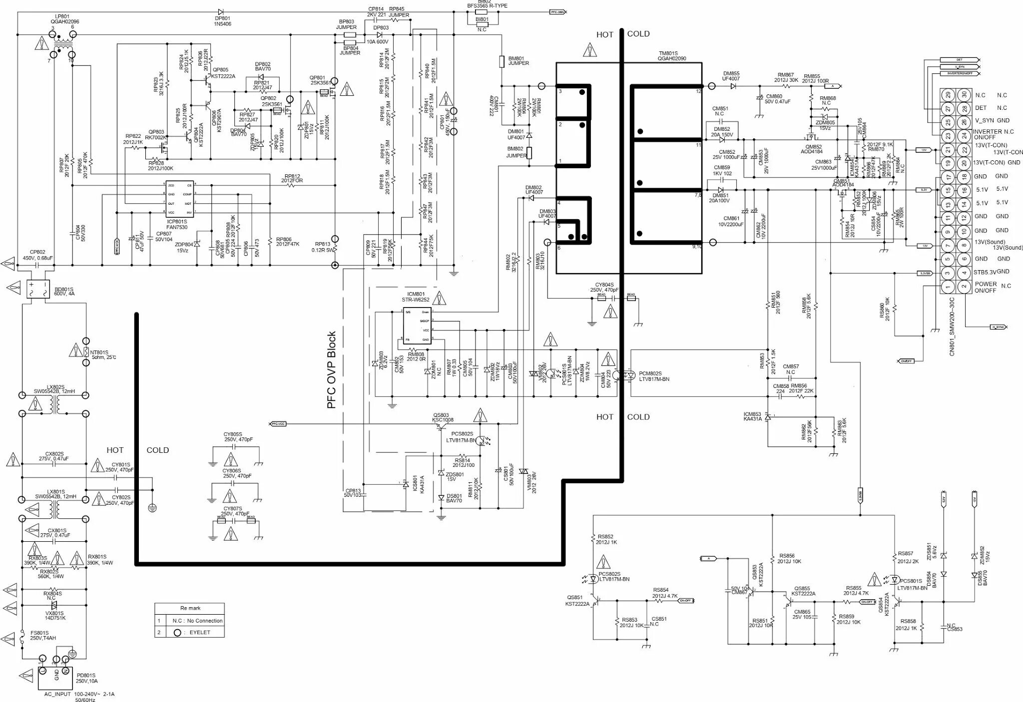
Schematic diagram