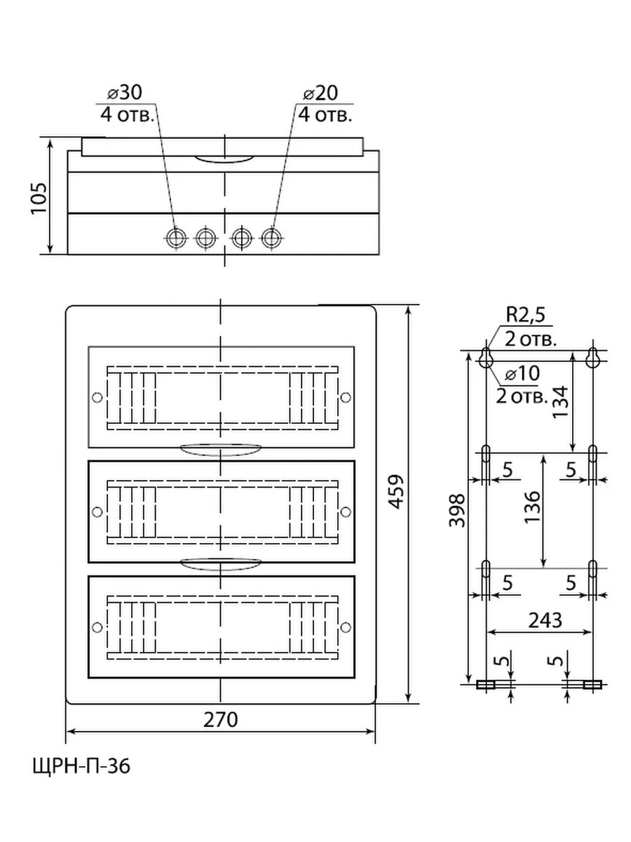
Щрн п иэк